Твердотельные реле RELPOL
Relpol предлагает широкую гамму полупроводниковых реле, которая постоянно пополняется новыми типами и исполнениями. К предложению Relpol добавилась новая серия полупроводниковых реле типа RSR20, RSR30, RSR40, RSR50 и RSR60. Первые три типа предназначены для монтажа на печатных платах (PCB), а типы RSR50 и RSR60 являются промышленными исполнениями, которые для работы при полной номинальной мощности требуют использования радиатора.
Полупроводниковые реле (с анг. Solid State Relay) на сегодняшний день находят широкое применение в: устройствах для офиса и телекоммуникации, системах автоматики и регулирования температуры. Благодаря большим возможностям и совместимости с технологиями TTL и CMOS возможно использование полупроводниковых реле в промышленных системах с ПЛК контроллерами.
Введение
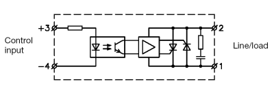
Полупроводниковые реле являются аналогом традиционных электромагнитных реле. Их задачей является управление токовой нагрузкой с помощью встроенного полупроводникового элемента (например тиристор, тринистор). Гальваническая развязка в рассматриваемых реле реализуется с помощью оптоэлементов (оптопары, оптосимисторы), отделяющих входную цепь реле от исполнительной цепи регулирования мощности. Полупроводниковое реле дает намного больше возможностей различного управления нагрузкой, чем традиционные электромагнитные реле. При использовании полупроводниковых реле появляется возможность значительного увеличения частоты коммутации, возможность выбора момента включения нагрузки и ее выключения. Возможны такие функции: ZS- переключение при нулевом значении тока, IO- мгновенное или в любой момент времени, PS- включение при пиковом значении напряжения сети, DCS- переключение для постоянного тока. Полупроводниковые реле являются идеальным интерфейсом между цепью управления с низким напряжением и электрическими цепями высокого напряжения, а также дают возможность коммутации с функцией импульсного управления. Упрощенная внутренняя схема большинства твердотельных реле представлена на рис. 1.

Рис. 1. Структурная схема однофазного твердотельного реле
Характеристики реле RSR
Предлагаемые полупроводниковые реле серии RSR предназначены для широкой группы пользователей и производителей. Быстрое развитие таких отраслей как электроника, телекоммуникация и промышленная автоматика требует от многих производителей минимализации своих устройств, а конкуренция на рынке, ставит все более высокие требования к прочности и качеству производимых устройств.
RSR20 - полупроводниковое реле с одной контактной группой, для монтажа в контактных колодках или на печатных платах (PCB). Реле предназначено для коммутации 240В переменного или 60В постоянного тока, в схемах где требуется быстрое переключение малых нагрузок до 3A. Реле RSR20 (Рис.2.) имеет индикатор срабатывания LED-светодиод, сигнализирующий момент включения. Совместимость с технологией TTL и CMOS, управляющее входное напряжения от 4-32В и низкая потребляемая мощность позволяют непосредственно управлять реле с ПЛК контроллера. (В таблице указаны основные параметры наиболее распространённых типов реле).
| Тип реле | Диапазон управляющего напряжения | Максимальный ток нагрузки | Номинальное напряжение нагрузки | Максимальное импульсное напряжение | Размеры, (мм) | Рабочая температура, (°С) |
|---|---|---|---|---|---|---|
| RSR20 (нагрузка АС) | 3…32 V DC | 3 А АС | 240 V АС | 600 V АС | 43,2х10,2х25,4 | -20…+85 |
| RSR20 (нагрузка DС) | 3…32 V DC | 3 А DС | 60 V DС | 60 V DС | 43,2х10,2х25,4 | -20…+85 |

Рис. 2. Полупроводниковое реле типа RSR20
В зависимости от исполнения, реле позволяют производить переключения при нулевом значении напряжения (Z - zero cross) или в любой момент времени (R - random). Высокое допустимое номинальное значение ударного тока дает возможность использовать реле этого типа в системах освещения и управления электродвигателями.
Следующим типом реле этой серии является узкопрофильное полупроводниковое реле с одной контактной группой типа RSR30 для монтажа в контактных колодках или на печатных платах (PCB). Реле предназначено для коммутации 240В переменного тока и 24В или 48В постоянного, где требуется быстрое переключение при малых нагрузоках до 2A.
Тип RSR30 (Рис. 3.) совместим с технологией TTL и CMOS, работает в широком диапазоне управляющего напряжения от 3В до 60В. Реле работает с функцией включения в любой момент времени (R).
| Тип реле | Диапазон управляющего напряжения | Максимальный ток нагрузки | Номинальное напряжение нагрузки | Максимальное импульсное напряжение | Размеры, (мм) | Рабочая температура, (°С) |
|---|---|---|---|---|---|---|
| RSR30 (нагрузка АС) | 3…32 V DC | 2 А АС | 240 V АС | 600 V АС | 28х5х15 | -20…+80 |
| RSR30 (нагрузка DС) | 3…32 V DC | 2,5 А DС | 48 V DС | 100 V DС | 28х5х15 | -20…+80 |
| RSR30 (нагрузка DС) | 3…32 V DC | 4 А DС | 24 V DС | 60 V DС | 28х5х15 | -20…+80 |

Рис. 3. Узкопрофильное полупроводниковое реле типа RSR30
Высокое допустимое номинальное значение ударного переменного тока (до 80А) дает возможность использования реле этого типа в бытовых устройствах, в офисной технике и системах освещения. Реле вместе с узкопрофильными контактными колодками типа PI6W (Рис. 4.) находит широкое применение в АСУ (автоматических системах управления) как элемент развязки между ПЛК контроллером и исполнительными устройствами.

Рис. 4. Контактные колодки PI6W для монтажа на DIN-рейку
Ещё одним представителем серии полупроводниковых реле RSR, предназначенным для монтажа на печатных платах (PCB) является миниатюрное реле с одной контактной группой типа RSR40 (Рис.5.). Реле предназначено для коммутации 240В переменного тока и 24В постоянного, где требуется быстрое переключение малых нагрузок до 1A. Также как и описанные выше полупроводниковые реле, RSR40 совместимо с технологией TTL и CMOS, напряжение управления от 3В до 32В, малое сопротивление и низкую потребляемую входную мощность.

Рис. 5. Полупроводниковое миниатюрное реле типа RSR40
В зависимости от исполнения, реле коммутируют нагрузку при переходе напряжения через ноль (Z - zero cross) или в любой момент времени (R - random). Тип RSR40 имеет небольшие размеры 5x20x17 мм и вес около 3 г. Реле находит применение в системах освещения, в системах регулирования температуры, в системах промышленной автоматики и производственных машинах.
Следующей группой являются полупроводниковые реле в промышленного исполнения с винтовыми зажимами типа RSR50 и RSR60.
Полупроводниковые реле с одной контактной группой типа RSR50 (Рис.6.) предназначены для монтажа с радиатором. Реле коммутирует 240В или 440В переменного тока, где требуется переключение больших нагрузок от 10A до 40A в категории AC1. RSR50 совместимо с технологией TTL и CMOS, работает в широком диапазоне управляющего напряжения 4-32В или 50-280В и имеет низкую потребляемую входную мощность. В зависимости от исполнения, реле позволяют включать нагрузку при нулевом значении напряжения (Z - zero cross) или в любой момент времени (R - random). Высокое допустимое номинальное значение ударного тока дает возможность использования этого типа реле в системах освещения, включения двигателей, в системах регулирования температуры, в системах промышленной автоматики, производственных машинах и офисной технике. Реле имеет индикатор срабатывания LED и встроенный выходной фильтр.

Рис. 6. Полупроводниковое реле типа RSR50
| Тип реле | Диапазон управляющего напряжения | Максимальный ток нагрузки | Номинальное напряжение нагрузки | Максимальное импульсное напряжение | Размеры, (мм) | Рабочая температура, (°С) |
|---|---|---|---|---|---|---|
| RSR50 (нагрузка АС) | 3...32 V DC | 10 A AC | 240 V AC | 600 V AC | 58x43x27,1 | -20...80 |
| 50...280 V AC | ||||||
| RSR50 (нагрузка АС) | 3...32 V DC | 25 A AC | 240 V AC | 600 V AC | 58x43x27,1 | -20...80 |
| 3...32 V DC | 480 V AC | 800 V AC | ||||
| 50...280 V DC | 240 V AC | 600 V AC | ||||
| RSR50 (нагрузка АС) | 3...32 V DC | 40 A DC | 240 V DC | 600 V DC | 58x43x27,1 | -20...80 |
| 3...32 V DC | 480 V AC | 800 V AC | ||||
| 50...280 V DC | 240 V AC | 600 V DC |
RSR60 (Рис. 7.) - полупроводниковое реле с тремя контактными группами в промышленном корпусе, предназначено для работы в 3-фазной сети, для монтажа с радиатором. Реле этого типа коммутируют нагрузки переменного тока в диапазоне от 48В до 440В, при значении тока от 10A до 40A в категории AC1. RSR60 совместимы с TTL и CMOS, диапазон управляющего напряжения 4-32В постоянного тока, малая потребляемая мощность. RSR60 имеет встроенный выходной фильтр (Рис. 8.). Реле позволяет включать нагрузку при нулевом значении напряжения (Z). Высокое допустимое номинальное значение ударного тока дает возможность использовать реле этого типа в системах освещения, включения двигателей, в системах регулирования температуры, а также в системах промышленной автоматики и производственных машинах, офисной технике.
RSR60 (нагрузка АС)
| Тип реле | Диапазон управляющего напряжения | Максимальный ток нагрузки | Номинальное напряжение нагрузки | Максимальное импульсное напряжение | Размеры, (мм) | Рабочая температура, (°С) |
|---|---|---|---|---|---|---|
| RSR60 (нагрузка АС) | 3…32 VDC | 10 А АС | 480 V АС | 800 V АС | 74х104,5х29,5 | -20…+80 |
| 25 А АС | ||||||
| 40 А АС |

Рис. 7. Полупроводниковое реле типа RSR60

Рис. 8. Структурная схема однофазного твердотельного реле
Рассматривая описанные выше типы полупроводниковых реле, следует обратить внимание, что самым важным свойством, отличающим полупроводниковые реле от традиционных электромагнитных, является полное отсутствие подвижных механических элементов, что делает их очень прочными и надежными, а износостойкость таких реле зачастую превышает миллиард срабатываний в случае правильно подобранного типа реле для конкретной системы. Дополнительные преимущества таких реле - это стабильный контакт в момент срабатывания и отсутствие механических и электрических повреждений контактов в процессе коммутации больших нагрузок. Большая прочность коммутации связана с переключением нагрузок с помощью полупроводникового элемента, который полностью исключает искрение и возможность появления электрической дуги. Полупроводниковые реле характеризуются хорошей виброустойчивостью, небольшими габаритными размерами и большой скоростью коммутации, позволяющей использовать их в системах, где применение классических электромагнитных реле невозможно (мультиплексоры аналоговых сигналов, телекоммуникация). Отсутствие механических контактов значительно ограничивает уровень генерируемых электромагнитных помех, а также шум в процессе работы. Также они обладают высокой стойкостью к агрессивным химическим средам и пыли. Полупроводниковые реле требуют небольшой мощности управления, что дает возможность непосредственного их подключения к управляющим выходам систем и модулей электроники, датчикам, регуляторам, промышленным контроллерам и другим элементам автоматики. Кроме этого, мощность входного управляющего сигнала практически не зависит от максимальной коммутируемой мощности, которую может переключать реле.
Преимущество включения и выключения реле в нуле напряжения уменьшает количество токовых импульсов, появляющихся при включении ними ламп накаливания или емкостных нагрузок. Выключение в нуле значительно уменьшает появление перенапряжений в цепи индуктивных нагрузок, даже если в сети есть значительный сдвиг фаз между током и напряжением. Включение в нуле емкостных нагрузок предотвращает появление помех благодаря медленному возрастанию тока в коммутируемой цепи. Предлагаемые полупроводниковые реле оснащены защитами от коротких замыканий и перегрузок слишком большим напряжением или перенапряжениями (RC, варисторы), а также диодными индикаторами состояния.





