Реле інтерфейсні PI6-1P
Виробник: Relpol
- Ширина 6,2 мм
- Інтерфейсне реле PI6-1P - з контактним виходом 1 CO
- Монтаж на рейці 35 мм
- Пристосовано для роботи з гребінчастою перемичкою ZG20
- Обладнаний зеленим світлодіодом
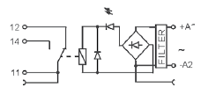
- Виконання для довгих ліній керування, з фільтром від перешкод (PI6-1P-230VAC/DC-10)
-
- Специфікації
Вихідний ланцюг - дані контактів Кількість та тип контактів 1 CO Матеріал контактів AgSnO2 AgSnO2/Au 3 µm Номінальний струм навантаження 6 A / 250 В AC 0,05 A / 30 В AC 6 A / 24 В DC 0,05 A / 36 В DC Максимальна комутована напруга 400 В AC / 250 В DC 30 В AC / 36 В DC Максимальна комутована потужність 1500 ВA 1,2 ВA Максимальний комутований струм 6 A 0,05 A Опір контакту < 100 мΩ < 30 мΩ Вхідний ланцюг Номінальна напруга 12 ... 36 В DC 24 ... 230 В AC/DC Номінальна споживана потужність 0,3 ... 0,7 Вт DC 0,3 ... 1,6 ВA AC/DC / 0,3 ... 1,6 Вт AC/DC Дані ізоляції Напруга пробою вхід - вихід 4000 В AC маса - вхід, вихід 2500 В AC контактного зазору 1000 В AC Додаткові дані Механічний ресурс > 107 Електричний ресурс > 0,6 x 105 6 A, 250 В AC 105 6 A, DC 30 В Температура навколишнього середовища для роботи - 40...+55 °C
- 40...+60 °C - 12, 24 В DC
- 40...+50 °C - 230 В AC/DC
- 40...+55 °C - 230 В DC
- Вхідні параметри
Код інтерфейсного реле Номінальна вхідна напруга Un Потужність вхідного ланцюга Робочий діапазон напруги живлення входу В мін. (при 20 °C) макс. (при 55 °C) PI6-1P-12VDC 12 V DC 0,3 W 9,6 14,4 PI6-1P-24VDC 24 V DC 0,4 W 19,2 28,0 PI6-1P-36VDC 36 V DC 0,7 W 28,8 40,0 PI6-1P-24VAC/DC 24 V AC/DC 0,5 VA / 0,5 W 19,2 26,4 PI6-1P-42VAC/DC 42 V AC/DC 0,3 VA / 0,3 W 33,6 50,0 PI6-1P-115VAC/DC 115 V AC/DC 0,8 VA / 0,8 W 92,0 130,0 PI6-1P-230VAC/DC 230 V AC/DC 0,8 VA / 0,8 W 184,0 253,0 PI6-1P-230VAC/DC-10 230 V AC/DC 1,6 VA / 1,6 W 196,0 253,0 PI6-1P-12VDC-01 12 V DC 0,3 W 9,6 14,4 PI6-1P-24VDC-01 24 V DC 0,4 W 19,2 28,0 PI6-1P-36VDC-01 36 V DC 0,7 W 28,8 40,0 PI6-1P-24VAC/DC-01 24 V AC/DC 0,5 VA / 0,5 W 19,2 26,4 PI6-1P-230VAC/DC-01 230 V AC/DC 0,8 VA / 0,8 W 184,0 253,0
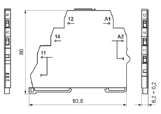
- Розміри й схеми
Габаритні розміри


Гребінчаста перемичка ZG20
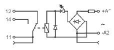
Схеми комутації

PI6-1P-12VDC, PI6-1P-12VDC-01
PI6-1P-24VDC, PI6-1P-24VDC-01
PI6-1P-36VDC, PI6-1P-36VDC-01
PI6-1P-24VAC/DC, PI6-1P-24VAC/DC-01
PI6-1P-42VAC/DC >
PI6-1P-115VAC/DC
PI6-1P-230VAC/DC, PI6-1P-230VAC/DC-01 >
PI6-1P-230VAC/DC-10
Монтаж
Реле PI6-1P призначено для монтажу на рейці 35 мм відповідно до PN-EN 60715. Підключення: макс. перетин монтажного дроту: 1 х 2,5 мм2 / 2 x 1,5 мм2 (1 x 14 / 2 x 16 AWG), довжина зачищеної ділянки монтажного дроту: 8мм, макс. момент затягування монтажного затиску: 0,3 Нм.
PI6-1P пристосовані для роботи з гребінчастою перемичкою ZG20. Перемичка ZG20 з'єднує спільні сигнали входів або виходів. Макс. допустимий струм 36 А/250 В AC. Кольори перемичок: ZG20-1 червона, ZG20-2 чорна, ZG20-3 блакитна.






