Реле контролю G2JM5AL20
Виробник: Tele
- Реле контролю - серія GAMMA
- Багатофункціональне
- 16,6 - 400 Гц
- Функція засувки
- Напруга живлення визначається модулем живлення
- 2 перекидні контакти
- Ширина 22,5 мм
- Промислове виконання
-
- Специфікації
Дані вимірювального ланцюга Функції OVER, OVER+LATCH, UNDER, UNDER+LATCH, WIN, WIN+LATCH Індикація зелений LED ON - індикація напруги живлення
жовтий LED ON/OFF - індикація стану вихідного реле
червоний LED ON/OFF - індикація спрацьовування за відповідним порогом
червоний LED блимає - індикація відліку затримки спрацьовування з відповідного порогаВимірювальний ланцюг клеми K-I1, K-I2, K-I3 (відстань >5mm) форма сигналу AC, синус, 16,6...400 Гц перевантажувальна здатність 6A AC початковий опір 10 mΩ порогові значення max: від 10% до 100% від IN
min: від 5% до 95% від INВхідний ланцюг Номінальна напруга Un 5 A AC Номінальна частота 16,6...400 Гц Вихідний ланцюг Кількість та тип контактів 2 CO - перекидні Номінальний струм навантаження 5 A / 250 В AC Максимальна комутована потужність 1250 В AC Дані ізоляції Номінальна ударна напруга 4000 В AC Категорія перенапруги III (відповідно до IEC 60664-1)
- Опис функцій
Функції
У всіх режимах роботи LEDs MIN і MAX поперемінно блиматимуть, якщо встановлений мінімальний поріг більше максимального. Якщо збій вже має місце під час активації пристрою, то вихідне реле залишиться у стані ВИМК. і засвітиться LED для відповідного порога спрацьовування.
Контроль напруги на підвищення (OVER, OVER+LATCH)
Якщо вимірюваний струм в одній із фаз перевищить значення на MAX-регулювальнику, почнеться відлік затримки спрацьовування (DELAY) (червоний LED MAX блимає). Після закінчення відліку (червоний LED MAX горить), вихідне реле перемикається у стан ВИМК. (жовтий LED не горить). Вихідне реле знову переключиться у стан ВКЛ. (жовтий LED горить), якщо струм, що вимірюється, у всіх фазах стане менше значення на MIN-регуляторі (червоний LED MAX не горить). Якщо активована функція засувки (OVER+LATCH) і струм, що вимірюється, в одній з фаз перевищував MAX- значення довше ніж затримка спрацьовування, вихідне реле залишиться в стані ВИМК. навіть якщо струм, що вимірюється, у всіх фазах стане менше значення на MIN-регуляторі. Після скидання (відключення та подача знову напруги живлення), вихідне реле переключиться у стан ВКЛ. і розпочнеться новий вимірювальний цикл, починаючи із затримки включення (START).

Контроль напруги на зниження (UNDER, UNDER+LATCH)
Якщо вимірюваний струм в одній із фаз стане нижче значення на MIN-регуляторі, почнеться відлік затримки спрацьовування DELAY (червоний LED MIN блимає). Після закінчення відліку (червоний LED MIN горить), вихідне реле переключиться у стан ВИМК. (жовтий LED не горить). Вихідне реле знову переключиться у стан ВКЛ. (жовтий LED горить), якщо струм, що вимірюється, для всіх фаз перевищить значення на MAX-регуляторі. Якщо активована функція клямки (UNDER+LATCH) і вимірюваний струм однієї з фаз був нижче MIN-значення довше ніж затримка спрацьовування, вихідне реле залишиться у стані ВИМК. навіть якщо вимірюваний струм у всіх фазах перевищить значення на MAX регуляторі. Після скидання (відключення та подача знову напруги живлення), вихідне реле переключиться у стан ВКЛ. і розпочнеться новий вимірювальний цикл, починаючи із затримки включення (START).

Контроль напруги у вікні (WIN, WIN+LATCH)
Вихідне реле переключиться у стан ВКЛ. (жовтий LED горить) якщо вимірюваний струм у всіх фазах перевищить значення на MIN-регуляторі. якщо струм, що вимірюється, хоча б в одній з фаз перевищить значення на MAX-регуляторі, почнеться відлік затримки спрацьовування DELAY (червоний LED MAX блимає). Після закінчення відліку (червоний LED MAX горить), вихідне реле переключиться у стан ВИМК. (жовтий LED не горить). Вихідне реле знову переключиться у стан ВКЛ. (жовтий LED горить) якщо вимірюваний струм у всіх фазах стане менше значення на MAX-регулювальнику (червоний LED MAX не горить). Якщо струм, що вимірюється, в одній з фаз стане менше значення на MIN-регуляторі, почнеться відлік затримки спрацьовування DELAY (червоний LED MIN блимає). Після закінчення відліку (червоний LED MIN горить), вихідне реле переключиться у стан ВИМК. (жовтий LED не горить).

Якщо активована функція засувки (WIN+LATCH) і струм, що вимірюється, в одній з фаз був нижче MIN-значення довше ніж затримка спрацьовування, вихідне реле залишиться в стані ВИМК. навіть якщо вимірюваний струм у всіх фазах перевищить значення на MIN регуляторі. Якщо струм, що вимірюється, в одній з фаз перевищував MAX- значення довше ніж затримка спрацьовування, вихідне реле залишиться в стані ВИМК. навіть якщо струм, що вимірюється, у всіх фазах стане менше значення на MAX-регуляторі. Після скидання (відключення та подача знову напруги живлення), вихідне реле переключиться у стан ВКЛ. і розпочнеться новий вимірювальний цикл, починаючи із затримки включення (START).
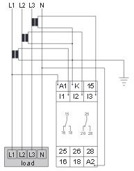
- Розміри й схеми
Габаритні розміри

Підключення
G2JM5AL20 з модулем живлення 24 В AC без засувки

G2JM5AL20 з модулем живлення 230 В AC з функцією засувки

G2JM5AL20 з модулем живлення 400 В AC без функції засувки

G2JM5AL20 з модулем живлення 230 В AC та трансформатором струму







