Реле контролю G2PM400VSY20
Виробник: Tele
- Реле контролю - серія GAMMA
- Багатофункціональне
- Контроль чергування фаз та обрив фаз
- Контроль асиметрії (з регулюванням)
- Необов'язкове підключення нейтралі
- Виявлення обриву нейтралі
- Напруга живлення визначається модулем живлення
- 2 перекидні контакти
- Ширина 22.5 мм
- Промислове виконання
-
- Специфікації
Дані вимірювального ланцюга Функції UNDER, UNDER+SEQ, WIN, WIN+SEQ Індикація червоний LED ON/OFF - спрацьовування по відповідному порогу
червоний LED блимає - йде відлік затримки спрацьовування по відповідному порогу
жовтий LED ON/OFF - стан релейного виходуВимірювальний ланцюг клеми (N)-L1-L2-L3 вимірювана величина 3(N)~, синус, 48...63 Гц стійкість до перевантажень 3(N)~600/346 В початковий опір 1MΩ порогові значення max: від -20% до 30% від UN
min: від -30% до 20% від UNасиметрія 5...25% Вхідний ланцюг Номінальна напруга Un 3(N)~400/230 В Номінальна частота AC: 48...63 Гц Вихідний ланцюг Кількість та тип контактів 2 CO - перекидні Номінальний струм навантаження 5 A / 250 В AC Максимальна комутована потужність 1250 В AC Дані ізоляції Номінальна ударна напруга 4000 В AC Категорія перенапруги III (відповідно до IEC 60664-1)
- Опис функцій
Функції
Для всіх функцій світлодіоди MIN та MAX блимають по черзі, якщо мінімальне значення порога спрацьовування було вибрано більше максимального значення. Якщо в момент увімкнення пристрою фіксується вихід будь-яких їх контрольованих параметрів за граничне значення, вихідне реле залишиться в положенні ВИМКН і за допомогою відповідного світлодіода буде показано причину збою.
Контроль напруги на зниження (UNDER, UNDER+SEQ)
Якщо контрольована напруга (середня напруга фаза-фаза) падає нижче значення, заданого регулятором MIN, починається відлік заданого інтервалу затримки спрацьовування (DELAY) (червоний LED MIN блимає). Після закінчення інтервалу (червоний LED MIN горить), вихідне реле переключиться в положення ВИМК (жовтий LED не горить). Вихідне реле знову перемкнеться в положення ВКЛ (жовтий LED горить), якщо вимірювана напруга перевищить величину, задану регулятором MAX. border="0" alt="" / >
Контроль напруги у вікні (WIN, WIN+SEQ)
Вихідне реле перемкнеться у положення ВКЛ (жовтий LED горить) якщо вимірювана напруга (середня напруга фаза-фаза) перевищить значення, задане регулятором MIN. Якщо напруга, що вимірюється, перевищить значення, задане регулятором MAX, почнеться відлік інтервалу затримки спрацьовування (DELAY) (червоний LED MAX блимає). Після закінчення інтервалу (червоний LED MAX горить), вихідне реле переключиться в положення ВИМК (жовтий LED не горить). Вихідне реле знову перемкнеться у положення ВКЛ (жовтий LED горить) якщо вимірювана напруга впаде нижче значення, заданого реглятором MAX (червоний LED MAX не горить). Якщо напруга, що вимірюється, впаде нижче значення, заданого регулятором MIN, знову почнеться відлік інтервалу затримки спрацьовування (DELAY) (червоний LED MIN блимає). Після закінчення інтервалу (червоний LED MIN горить), вихідне реле переключиться в положення ВИМК (жовтий LED не горить).

Контроль чергування фаз (SEQ)
Контроль чергування фаз можна вмикати та вимикати для всіх функцій. Якщо виявлено зміну порядку червування фаз (червоний LED SEQ горить), вихідне реле негайно перемкнеться у положення ВИМК (жовтий LED не горить).

Контроль обриву фази (SEQ)
При обриві будь-якої з фаз, почнеться відлік інтервалу затримки спрацьовування (DELAY) (червоний LED SEQ блимає). Після закінчення інтервалу (червоний LED SEQ горить), вихідне реле переключиться в положення ВИМК (жовтий LED не горить). Зворотна напруга від споживача (наприклад: генерується двигуном, що продовжує роботу від двох фаз) не вплине на роботу реле, але може відстежуватися за допомогою контролю асиметрії

Контроль асиметрії
Якщо асиметрія напруг фаза-фаза перевищить значення, задане регулятором ASYM, почнеться відлік інтервалу затримки спрацьовування (DELAY) (червоний LED ASYM блимає). Після закінчення інтервалу (червоний LED ASYM горить), вихідне реле переключиться в положення ВИМК (жовтий LED не горить). Якщо нейтраль підключена до пристрою, також буде контролюватись асиметрія фазних напруг щодо нейтралі (Y-напруга). У цьому випадку відстежуються обидва значення асиметрії і при перевищенні будь-якого значення, заданого регулятором ASYM, починається відлік інтервалу затримки спрацьовування (DELAY) (червоний LED ASYM блимає). Після закінчення інтервалу (червоний LED ASYM горить), вихідне реле переключиться у прокладання ВИМК (жовтий LED не горить).

Виявлення обриву нейтралі за допомогою контролю асиметрії
Обрив нейтралі між мережею живлення та споживачем визначається за появою асиметрії між напругою фаза-фаза і нейтральним проводом. Якщо асиметрія перевищує значення, задане регулятором ASYM, починається відлік інтервалу затримки спрацьовування (DELAY) (червоний LED ASYM блимає). Після закінчення інтервалу (червоний LED ASYM горить), вихідне реле переключиться в положення ВИМК (жовтий LED не горить). Вибравши нейтрального провідника між реле контролю та споживачем не може бути виявлено.
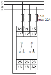
- Розміри й схеми
Габаритні розміри

Підключення
G2PM400VSY20 з подачею напруги живлення 24 В AC/DC

G2PM400VSY20 з подачею напруги живлення 230 В AC

G2PM400VSY20 з модулем живлення 400 В AC







