Реле напруги LVM20A024
Виробник: Lovato Electric
- 3 електроди перемикання (MIN, MAX та COM)
- регульована чутливість: 2.5 50kOhm
- 1 вихідний перекидний контакт
- подвійна ізоляція між подачею напруги, зондом та реле на виході
- постійна затримка сигналу електрода: <1c
- зелений світлодіодний індикатор живлення
- червоний світлодіод. індикатор стану реле на виході
- модульна коробка DIN 43880 (2 модулі)
- ступінь захисту IP40 на фронталі (якщо встановлено) у коробці та/або на електрощиті з IP40), IP20 - на затискачах.
-
- Специфікації
Дані вимірювального ланцюга Функції функція спорожнення Індикація LED зелений для індикації живлення
LED червоний для індикації спрацьовування релеВхідний ланцюг Номінальна напруга Us 24 В AC Номінальна частота 50/60 Гц Номінальна споживана потужність 3,5 ВA / 1,8 W Вихідний ланцюг Кількість та тип контактів 1 CO - перекидний Номінальний струм навантаження 8 A / 250 В AC Максимальна комутована потужність 2 000 ВA Дані ізоляції Номінальна ударна напруга 6000 В
- Опис функцій
Функції

Функція спорожнення з трьома зондами

Функція спорожнення з двома зондами
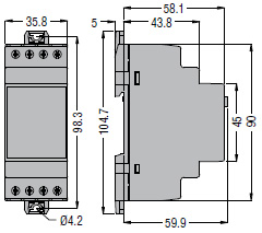
- Розміри й схеми
Габаритні розміри







