Реле напруги LVM40A240
Виробник: Lovato Electric
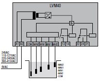
- 5 рівнів зондів (MIN1, MAX1, MIN2, MAX2, COM)
- діапазон чутливості: 2.5 200kOhm
- чутливість, що встановлюється: 25-50-100-200kOhm
- незалежне регулювання чутливості для зондів MAX (піна)
- кабель із обробкою від паразитів
- селектор для встановлення 5 функцій:
- функція спорожнення та сигналізації
- функція наповнення та сигналізації
- функція спорожнення з командою зміни насосів
- функція заповнення з командою зміни насосів
- функція наповнення резервуара та спорожнення колодязя з сигнальним реле за відсутності води
- подвійна ізоляція між подачею живлення, зондом та реле на виході
- регулювання затримки сигналу електрода: 1 10c
- регулювання затримки запуску насоса: 0 30хв
- зелений світлодіодний індикатор живлення
- червоний світлодіодний індикатор стану реле на виході
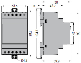
- модульний корпус DIN 43880 (3 модулі)
- ступінь захисту IP40 на фронталі (якщо встановлено в коробці та/або на електрощиті з IP40), IP20 - на затискачах.
-
- Специфікації
Дані вимірювального ланцюга Функції множинні функції Індикація LED зелений для індикації живлення
2 LED червоних для індикації стану реле
2 LED червоних для індикації стану зондівВхідний ланцюг Номінальна напруга Us 220 ... 240 В AC Номінальна частота 50/60 Гц Номінальна споживана потужність 4,5 ВA / 2,8 W Вихідний ланцюг Кількість та тип контактів 1 CO - перекидний, 1 NO Номінальний струм навантаження 8 A / 250 В AC Максимальна комутована потужність 2 000 ВA Дані ізоляції Номінальна ударна напруга 6000 В
- Опис функцій
Функції

Функція спорожнення + сигналізація

Функція наповнення + сигналізація

Функція спорожнення + зміна насоса

Функція наповнення + зміна насоса

Функція наповнення serbatoio + спорожнення колодязя + сигналізації

1) Затримка зонда + затримка пуску
2) Затримка зонда
- Розміри й схеми
Габаритні розміри







