Реле автомобільні AZ983
Виробник: Zettler Electronics
- Робочий струм 80А
- Високе значення імпульсних струмів
- Робоча температура - до 85°C
- Контакти - 1А, 1С, 1В
- Виконання для монтажу на плату
- Доступна версія з компаундом
-
- Специфікації
Дані контактів Кількість та тип контактів 1 NO 1 NC 1 CO Матеріал контактів AgSnO2 Номінальний струм навантаження 80 A / 14 В DC, 20 °C
40 A / 28 В DC, 20 °C
40 A / 14 В DC, 85 °C
20 A / 28 В DC, 85 ° C60 A / 14 В DC, 20 °C
30 A / 28 В DC, 20 °C
30 A / 14 В DC, 85 °C
15 A / 28 В DC, 85 ° C60 A / 14 В DC, 20 °C
40 A / 28 В DC, 20 °C
40 A / 14 В DC, 85 °C
12 A / 28 В DC, 85 ° CМаксимальна комутована напруга 28 В DC Максимальна комутована потужність 1120 Вт 840 Вт Максимальний комутований струм 80 A 60 A Опір контакту < 50 мΩ Дані котушки Номінальна напруга 6 ... 24 В DC Номінальна споживана потужність 0,76 Вт
Дані ізоляції Напруга пробою між котушкою та контактами 500 В AC між відкритими контактами 500 В AC Додаткові дані Механічний ресурс > 1 x 107 Електричний ресурс > 1 x 105 80 A, 14 В DC резистивна Температура навколишнього середовища для роботи -40...+85 °C
- Дані котушки
Код котушки Номінальна напруга В DC Опір котушки при 20 °C Ω Допуск опору Робочий діапазон напруги живлення В DC мін. (при 20 °C) макс. (при 20 °C) 6D 6 20 ± 10% 3,9 7,8 12D 12 90 ± 10% 7,8 15,6 24D 24 360 ± 10% 15,6 31,2
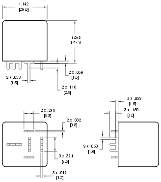
- Розміри й схеми
Габаритні розміри
1 CO
Розмітка друкованої плати
1 CO
Схема комутації
1 NO
Схема комутації
1 NC
Схема комутації
1 CO






