Реле автомобільні CP
Виробник: Panasonic Electric Works
- Компактне пласке виконання
- Висока щільність монтажу
- Простий контур спрощує проектування друкованих плат
- Доступна версія для поверхневого монтажу
- Модель для склоочисника
-
- Специфікації
Дані контактів Кількість та тип контактів 1 NO 1 CO Матеріал контактів Ag (кадмій) Номінальний струм навантаження 20 A / 14 В DC NO: 20 A / 14 В DC,
NC: 10 A / 14 В DCМаксимальна комутована напруга - Максимальна комутована потужність - Максимальний комутований струм Стандартне реле:
NO: 40 A протягом 2 хв, 30 А протягом години (при 20 °C)
30 А протягом 2 хв, 30 А протягом години (при 85 °C)Для навантаження ...:
NO: 25 A протягом 1 хв, 15 А протягом години (при 20 °C)Опір контакту NO: 6 мΩ, NC: 8 мΩ Дані котушки Номінальна напруга 12 В DC Номінальна споживана потужність 0,64 Вт Дані ізоляції Номінальна напруга ізоляції 500 В DC Напруга пробою між котушкою та контактами 500 В між струмовводами 500 В Додаткові дані Механічний ресурс > 5 x 106 Електричний ресурс > 105 (резистивна) Температура навколишнього середовища для роботи -40...+85 °C
- Дані котушки
Код котушки Номінальна напруга В DC Опір котушки при 20 °C Ω Допуск опору Робочий діапазон напруги живлення В DC мін. (при 20 °C) макс. (при 85 °C) 12V 12 119 ± 10% 7,2 16
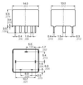
- Розміри й схеми
1. PC board terminal type

- Зовнішні розміри
-
Розмір: Допуск
Макс. 1мм.: ±0.1мм
Від 1 до 3мм.: ±0.2мм
Мін. 3мм: ±0.3мм
- Шаблон (???) друкованої плати (вид знизу)
1a
- Шаблон (???) друкованої плати (вид знизу)
1c
- Схема (вид знизу)
1a 
- Схема (вид знизу)
1c 
2. Surface mount terminal type

- Зовнішні розміри
-
Розмір: Допуск
Макс. 1мм.: ±0.1мм
Від 1 до 3мм.: ±0.2мм
Мін. 3мм: ±0.3мм
- Рекомендований майданчик для монтажу (вид зверху)

- Схема







