Реле автомобільні JJ-M
Виробник: Panasonic Electric Works
- Компактний корпус
- Оптимізований під автомобільну електричну систему
- Уніфіковане розміщення виводів
- Пластикований ізольований корпус
- 1А, 1С
-
- Специфікації
Дані контактів Кількість та тип контактів 1 NO 1 CO Матеріал контактів Ag (кадмій) Номінальний струм навантаження 20 A / 14 В DC NO: 20 A / 14 В DC,
NC: 10 A / 14 В DCМаксимальна комутована напруга - Максимальна комутована потужність - Максимальний комутований струм NO: 35 А протягом 2 хв, 25 А протягом години (при 20 °C)
30 А протягом 2 хв, 20 А протягом години (при 85 °C) td>Опір контакту NO: 5 мΩ Дані котушки Номінальна напруга 12 В DC Номінальна споживана потужність 0,64 Вт Дані ізоляції Номінальна напруга ізоляції 500 В DC Напруга пробою між котушкою та контактами 500 В між струмовводами 500 В Додаткові дані Механічний ресурс > 107 Електричний ресурс > 105 (резистивна)
NO: > 105 (резистивна)
NC: > 105 (резистивна)Температура навколишнього середовища для роботи -40...+85 °C
- Дані котушки
Код котушки Номінальна напруга В DC Опір котушки при 20 °C Ω Допуск опору Робочий діапазон напруги живлення В DC мін. (при 20 °C) макс. (при 85 °C) 12V 12 225 ± 10% 7,2 16
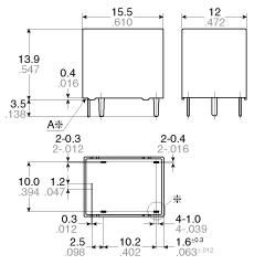
- Розміри й схеми
- Зовнішні розміри
-
Розмір: Загальний допуск
Макс. 1мм.: ±0.1мм
Від 1 до 3мм.: ±0.2мм
Мін. 3мм: ±0.3мм
- Шаблон (???) друкованої плати (вид знизу)
1a -
Допуск: ±0.1мм

- Шаблон (???) друкованої плати (вид знизу)
1c -
Допуск: ±0.1мм

- Схема (вид знизу)
1a 
- Схема (вид знизу)
1c 






