Реле мініатюрні AZ6991
Виробник: Zettler Electronics
- Надзвичайно компактний корпус, займає лишень 0,22 дюйми друкованої плати
- Тонкий корпус, доступні варіанти - вертикальний і горизонтальний
- Струм комутації - до 8А
- Потужність котушки - 95 мВт
- Стійкість ізоляції - до 4000 В
- Моделі з напругою до 60 В постійного струму
- Доступна версія в компаунді для пайки хвилею
- Відстань між контактами - 8 мм
- UL, CUR file E43203, VDE file 40020561
-
- Специфікації
Дані контактів Кількість та тип контактів SPST (1 NO), SPDT (1 CO) Матеріал контактів AgSnO2, AgNi, AgNi з покриттям Au Номінальний струм навантаження 10 A / 250 В AC Максимальна комутована напруга 150 В DC 400 В AC Максимальна комутована потужність 1662 ВA Максимальний комутований струм 6 A Опір контакту < 50 мΩ Дані котушки Номінальна напруга 3 ... 60 В DC Номінальна споживана потужність 0,095 Вт Дані ізоляції Номінальна напруга ізоляції 500 В AC Номінальна ударна напруга 6000 В Напруга пробою між котушкою та контактами 4000 В між відкритими контактами 1000 В Додаткові дані Механічний ресурс > 107 Електричний ресурс > 105 (5 A / 250 В AC, резистивне навантаження) Температура навколишнього середовища для роботи -40...+85 °C
- Дані котушки
Код котушки Номінальна напруга В DC Опір котушки при 20 °C Ω Допуск опору Робочий діапазон напруги живлення В DC мін. (при 20 °C) макс. (при 20 °C) 5D 5 147 ± 10% 3,75 11,2 12D 12 848 ± 10% 9,0 26,8 24D 24 3 390 ± 15% 18,0 53,7 48D 48 10 600 ± 15% 36,0 100,0 60D 60 16 600 ± 15% 45,0 120,0
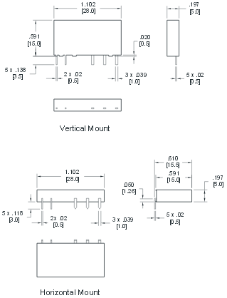
- Розміри й схеми
Габаритні розміри

Розмітка друкованої плати

Схеми комутації







