Реле мініатюрні JS
Виробник: Panasonic Electric Works
- Компактний розмір
- Високий струм: 10А
- Доступний тип TV-5 (стандартне виконання)
- Схвалено VDE, TUV
- Герметичний корпус
- Доступні котушки типу В і F
- Також доступні моделі відповідні до EN60335-1 GWT
- Доступні моделі з ізоляцією до 6000 В
-
- Специфікації
Дані контактів Кількість та тип контактів 1 NO, 1 CO 1 NO підвищеної зносостійкості Матеріал контактів AgSnO2 Номінальний струм навантаження 10 A / 250 В AC (NO)
10 A / 125 В AC
6 A / 277 В AC10 A / 250 В AC
10 A / 277 В AC5 A / 30 В DC 5 A / 30 В DC Максимальна комутована напруга 250 В AC 100 В DC (0,5 A) Максимальна комутована потужність 2 500 ВA (NO)
1 662 ВA (NC)2 770 ВA Максимальний комутований струм 10 A (AC), 5 A (DC) Опір контакту < 100 мΩ Данные катушки Номинальное напряжение 5 ... 48 В DC Номинальная потребляемая мощность 0,36 Вт Данные изоляции Номинальное напряжение изоляции 500 В DC Номинальное ударное напряжение 6000 В Напряжение пробоя между катушкой и контактами 1500 В між струмовводами 750 В Додаткові дані Механічний ресурс > 107 Електричний ресурс (резистивне навантаження) 1 x 105
[10 A / 125 В AC
6 A / 277 В AC
5 A / 30 В DC]
5 x 104 (NO)
[10 A / 250 В AC]> 2 x 105
[10 A / 277 В AC]
1,5 x 105
[10 A / 250 В AC]
1 x 105
[5A 30В DC]Температура навколишнього середовища для роботи -40...+70 °C
(ізоляція класу E)
-40...+85 °C
(ізоляція класу B)
-40...+105 °C
(ізоляція класу B)-40...+105 °C
- Дані котушки
Код котушки Номінальна напруга В DC Опір котушки при 20 °C Ω Допуск опору Робочий діапазон напруги живлення В DC мін. (при 20 °C) макс. (при 70 °C) 5 В 5 69,4 ± 10% 3,5 6,5 6 В 6 100 ± 10% 4,2 7,8 9 В 9 225 ± 10% 6,3 11,7 12 В 12 400 ± 10% 8,4 15,6 18 В 18 900 ± 10% 12,6 23,4 24 В 24 1 600 ± 10% 16,8 31,2 48 В 48 6 400 ± 10% 33,6 62,4
- Код замовлення
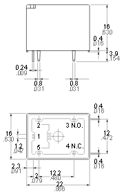
- Розміри й схеми
- Габаритні розміри
-
Розмір: Допуск
Макс. 1мм.: ±0.1мм
Від 1 до 3мм.: ±0.2мм
Мін. 3мм: ±0.3мм
- Схема комутації (вид з боку виводів)

- Розмітка монтажних отворів (вид з боку паяння)
-
Допуск: ±0.1мм







