Реле мініатюрні JW
Виробник: Panasonic Electric Works
- Компактний корпус з універсальними виводами
- Висока діелектрична стійкість - до 10 кВ/мкс
- Герметичне виконання
- Доступні моделі з ізоляцією класу В
- Доступні типи TV (TV-5), (лише для контактів типу А
- Наявні "розетки"
-
- Специфікації
Дані контактів Стандартні Посилені Кількість та тип контактів 1 NO, 1 CO, 2 NO, 2 CO 1 NO, 1 CO Матеріал контактів 1 NO: AgSnO2
1 CO, 2 NO, 2 CO: AgNiНомінальний струм навантаження 5 A / 250 В AC 10 A / 250 В AC 5 A / 30 В DC 10 A / 30 В DC Максимальна комутована напруга 250 В AC 30 В DC Максимальна комутована потужність 1250 ВA, 150 Вт 2500 ВA, 300 Вт Максимальний комутований струм 5 A 10 A Опір контакту < 100 мΩ Дані котушки Номінальна напруга 5 ... 48 В DC Номінальна споживана потужність 0,53 Вт Дані ізоляції Номінальна напруга ізоляції 500 В DC Номінальна ударна напруга 10 000 В Напруга пробою між котушкою та контактами 5000 В між контактним зазором 3000 В між струмовводами 1000 В Додаткові дані Механічний ресурс > 5 x 106 Електричний ресурс (резистивне навантаження) > 105 Температура навколишнього середовища для роботи -40...+70 °C (ізоляція класу E)
-40...+85 °C (ізоляція класу B)
- Дані котушки
Код котушки Номінальна напруга В DC Опір котушки при 20 °C Ω Допуск опору Робочий діапазон напруги живлення В DC мін. (при 20 °C) макс. (при 60 °C) макс. (при 85 °C) 5 В 5 47 ± 10% 3,5 6,5 6 6 В 6 68 ± 10% 4,2 7,8 7,2 9 В 9 155 ± 10% 6,3 11,7 10,8 12 В 12 270 ± 10% 8,4 15,6 14,4 24 В 24 1 100 ± 10% 16,8 31,2 28,8 48 В 48 4 400 ± 10% 33,6 62,4 57,6
- Код замовлення
- Розміри й схеми
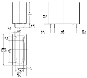
Реле JW (1 NO)
- Габаритні розміри
-
Розмір: Загальний допуск
Макс. 1мм.: ±0.1мм
Від 1 до 3мм.: ±0.2мм
Мін. 3мм: ±0.3мм
- Розмітка монтажних отворів (вид з боку паяння)
-
Допуск: ±0.1мм

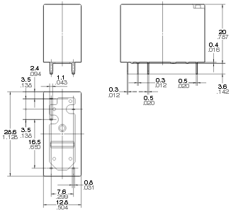
Реле JW (1 CO)
- Габаритні розміри
-
Розмір: Загальний допуск
Макс. 1мм.: ±0.1мм
Від 1 до 3мм.: ±0.2мм
Мін. 3мм: ±0.3мм
- Розмітка монтажних отворів (вид з боку паяння)
-
Допуск: ±0.1мм

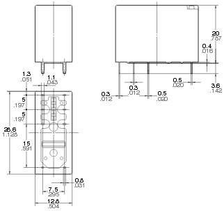
Реле JW (2 NO, 2 CO)
- Габаритні розміри
-
Розмір: Загальний допуск
Макс. 1мм.: ±0.1мм
Від 1 до 3мм.: ±0.2мм
Мін. 3мм: ±0.3мм
- Розмітка монтажних отворів (вид з боку паяння)
-
Допуск: ±0.1мм







