Реле мініатюрні PA
Виробник: Panasonic Electric Works
- Компактний тонкий корпус (5 х 12,5 мм) забезпечує щільний монтаж
- Висока чутливість при потужності 120 мВт
- Стабільний контроль при струмі 5А
- Відповідає IEC1131-2 (TUV)
- Імпульсна стійкість ізоляції - до 4000 В, при напрузі пробою - 2000 В
- Стійкість до вібрацій та ударів
-
- Специфікації
Дані контактів Кількість та тип контактів 1 NO Матеріал контактів AgNi Номінальний струм навантаження 5 A / 250 В AC 5 A / 30 В DC Максимальна комутована напруга 250 В AC Максимальна комутована потужність 1250 ВA Максимальний комутований струм 5 A Опір контакту < 30 мΩ Дані котушки Номінальна напруга 5 ... 24 В DC Номінальна споживана потужність 0,12 Вт (від 5 до 18 В DC), 0,18 Вт (24 В DC) Дані ізоляції Номінальна напруга ізоляції 500 В DC Номінальна ударна напруга 4000 В Напруга пробою між котушкою та контактами 2000 В між струмовводами 1000 В Додаткові дані Механічний ресурс > 2 x 107 Електричний ресурс > 105 (3 A / 250 В AC, 30 В DC, резистивне навантаження) Температура навколишнього середовища для роботи -40...+70°C
- Дані котушки
Код котушки Номінальна напруга В DC Опір котушки при 20 °C Ω Допуск опору Робочий діапазон напруги живлення В DC мін. (при 20 °C) макс. (при 20 °C) 5 В 5 20 В ± 10% 3,5 6 6 В 6 300 ± 10% 4,2 7,2 9 В 9 675 ± 10% 6,3 10,8 12 В 12 1 200 ± 10% 8,4 14,4 18 В 18 2 700 ± 10% 12,6 21,6 24 В 24 3 200 ± 10% 16,8 28,8
- Код замовлення
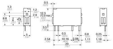
- Розміри й схеми
- Габаритні розміри
-
Загальний допуск: ±0.1мм

- Розмітка монтажних отворів (вид з боку паяння)
-
Допуск: ±0.1мм

- Схема комутації (вид з боку виводів)
-
Допуск: ±0.1мм







