Реле мініатюрні SF-Y
Виробник: Panasonic Electric Works
- Керована структура контактів
- Відповідає стандарту EN 50205, Type A
- Малий розмір
- Низький профіль - 14,5 мм
-
- Специфікації
Дані контактів 4-полюсний 6-полюсний Кількість та тип контактів 2 NO 2 NC,
3 NO 1 NC4 NO 2 NC,
5 NO 1 NCМатеріал контактів AgNi з покриттям Au Номінальний струм навантаження 6 A / 250 В AC 6 A / 30 В DC Максимальна комутована напруга 250 В AC 30 В DC Максимальна комутована потужність 1 500 ВA Максимальний комутований струм 6 A Опір контакту < 100 мΩ Дані котушки Номінальна напруга 5 ... 24 В DC Номінальна споживана потужність 0,67 Вт Дані ізоляції Номінальна напруга ізоляції 500 В DC Номінальна ударна напруга 6000 В Напруга пробою між котушкою та контактами 3 NC: 2500 В
4 NO: 4 000 Вміж зазорами 4000 В між струмовводами 1500 В Додаткові дані Механічний ресурс > 107 Електричний ресурс 105 (6 A / 250 В AC, резистивне навантаження) Температура навколишнього середовища для роботи -40...+70 °C
- Дані котушки
4 поля (2 NO 2 NC)
Код котушки Номінальна напруга В DC Опір котушки при 20 °C Ω Допуск опору Робочий діапазон напруги живлення В DC мін. (при 20 °C) макс. (при 20 °C) DC5V 5 38 ± 10% 3,75 6 DC12V 12 215 ± 10% 9 14,4 DC18V 18 483 ± 10% 13,5 21,6 DC21V 21 666 ± 10% 15,75 25,2 DC24V 24 864 ± 10% 18 28,8 4 полюси (3 NO 1 NC)
Код котушки Номінальна напруга В DC Опір котушки при 20 °C Ω Допуск опору Робочий діапазон напруги живлення В DC мін. (при 20 °C) макс. (при 20 °C) DC5V 5 38 ± 10% 3,75 6 DC12V 12 215 ± 10% 9 14,4 DC18V 18 483 ± 10% 13,5 21,6 DC21V 21 666 ± 10% 15,75 25,2 DC24V 24 864 ± 10% 18 28,8 6 полюсів (4 NO 2 NC)
Код котушки Номінальна напруга В DC Опір котушки при 20 °C Ω Допуск опору Робочий діапазон напруги живлення В DC мін. (при 20 °C) макс. (при 20 °C) DC5V 5 38 ± 10% 3,75 6 DC12V 12 215 ± 10% 9 14,4 DC18V 18 483 ± 10% 13,5 21,6 DC21V 21 666 ± 10% 15,75 25,2 DC24V 24 864 ± 10% 18 28,8 6 полюсів (5 NO 1 NC)
Код котушки Номінальна напруга В DC Опір котушки при 20 °C Ω Допуск опору Робочий діапазон напруги живлення В DC мін. (при 20 °C) макс. (при 20 °C) DC5V 5 38 ± 10% 3,75 6 DC12V 12 215 ± 10% 9 14,4 DC18V 18 483 ± 10% 13,5 21,6 DC21V 21 666 ± 10% 15,75 25,2 DC24V 24 864 ± 10% 18 28,8
- Код замовлення
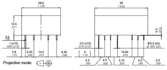
- Розміри й схеми
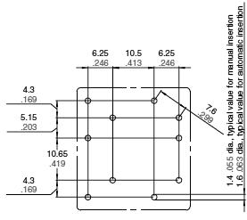
4-полюсні (2 NO 2 NC, 3 NO 1 NC)
- Габаритні розміри
-
Загальний допуск: ±0.3мм

- Схема комутації (вид з боку виводів)
- Розмітка монтажних отворів (вид з боку паяння)
-
Загальний допуск: ±0.1мм

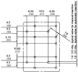
6-полюсні (4 NO 2 NC, 5 NO 1 NC)
- Габаритні розміри
-
Загальний допуск: ±0.3мм

- Схема комутації (вид з боку виводів)
- Розмітка монтажних отворів (вид з боку паяння)
-
Загальний допуск: ±0.1мм







