Реле промислові R3(N)
Виробник: Relpol
- Реле загального застосування
- Для контактних колодок: монтаж на рейці 35 мм; на панелі
- Мініатюрні розміри
- Контакти не містять кадмію
- Котушки AC та DC
- WT (механічний індикатор спрацьовування з фронтальним тестом - кнопкою з блокуванням) - стандартне оснащення реле для контактних колодок. До реле пропонуються тест-кнопки без функції блокування контактів типу Р та заглушки
-
- Специфікації
Дані контактів Кількість та тип контактів 3 CO Матеріал контактів AgNi, AgNi/Au 0,2 µm Номінальний струм навантаження 10 A / 250 В AC 10 A / 24 В AC Максимальна комутована напруга 440 В AC Максимальна комутована потужність 2 500 ВA Максимальний комутований струм 20 A Опір контакту < 100 мΩ Дані котушки Номінальна напруга 6 ... 240 В AC 5 ... 220 В DC Номінальна споживана потужність AC: 1,6 ВA DC: 0,9 Вт Дані ізоляції Напруга пробою між котушкою та контактами 2500 В AC контактного зазору 1500 В AC між струмовводами 2500 В AC Додаткові дані Механічний ресурс > 105 12 A, 250 В AC Електричний ресурс > 2 x 107 Температура навколишнього середовища для роботи AC: -40...+55 °C DC: -40...+70 °C
- Дані котушки
Дані котушки - виконання по напрузі, живлення постійним струмом
Код котушки Номінальна напруга
В DCОпір котушки при 20 °C
ΩДопуск опору Робочий діапазон напруги живлення В DC мін. (при 20 °C) макс. (при 55 °C) 1005 5 28 ± 10% 4,0 5,5 1006 6 40 ± 10% 4,8 6,6 1012 12 160 ± 10% 9,6 13,2 1024 24 640 ± 10% 19,2 26,4 1048 48 2 600 ± 10% 38,4 52,8 1060 60 4 000 ± 10% 48,0 66,0 1080 80 7 100 ± 10% 64,0 88,0 1110 110 13 600 ± 10% 88,0 121,0 1125 125 16 000 ± 10% 100,0 137,5 1220 220 54 000 ± 10% 176,0 242,0 Дані котушки - виконання за напругою, живлення змінним струмом 50/60 Гц
Код котушки Номінальна напруга
В ACОпір котушки при 20 °C
ΩДопуск опору Робочий діапазон напруги живлення В AC мін. (при 20 °C) макс. (при 55 °C) 5006 6 9,8 ± 10% 4,8 6,6 5012 12 39,5 ± 10% 9,6 13,2 5024 24 158 ± 10% 19,2 26,4 5042 42 470 ± 10% 33,6 46,2 5048 48 640 ± 10% 38,4 52,8 5060 60 930 ± 10% 48,0 66,0 5080 80 1 720 ± 10% 64,0 88,0 5110 110 3 450 ± 10% 88,0 121,0 5115 115 3 610 ± 10% 92,0 127,0 5120 120 3 770 ± 10% 96,0 132,0 5127 127 4 000 ± 10% 101,6 139,0 5220 220 15 400 ± 10% 176,0 242,0 5230 230 16 100 ± 10% 184,0 253,0 5240 240 16 800 ± 10% 192,0 264,0
- Код замовлення

WT - стандартное оснащение реле для контактных колодок. WTD, WTLD - только для катушек DC. Касается реле для монтажа на печатных платах и с крепежным винтом.
Кнопки типа Р и заглушки следует заказывать отдельно. Заменяют кнопки типа Т. Для самостоятельной замены Клиентом.
- Кнопка R4P-0001-A - оранжевый цвет (катушки АС)
- Кнопка R4P-0001-D - сине-зеленый цвет (катушки DC)
- Заглушка R4W-0003-A - оранжевый цвет (катушки АС)
- Заглушка R4W-0003-D - сине-зеленый цвет (катушки DC)
Внимание:
Для реле с катушками DC и дополнительным оснащением, охватывающим: D - элемент ограничения перенапряжения (диод) и L - индикатор срабатывания, световой (светодиод) следует соблюдать установленное направление питания катушки . Вывод А 1 (13) ” + ” ; вывод А 2 (14) ” - ” . Направление питания обозначено на корпусе реле. Цвет внешней тест - кнопки, с функцией блокировки типа Т показывает тип тока питания катушки: оранжевый - катушка АС, морской - катушка DC.
Примеры кодирования:
R3(N)-2013-23-1024-WT реле R3(N), материал контактов AgNi, с тремя переключающими контактами, в корпусе IP 40, для контактных колодок, исполнение по напряжению 24 В, питание постоянным током, с механическим индикатором срабатывания и фронтальной тест - кнопкой с блокировкой
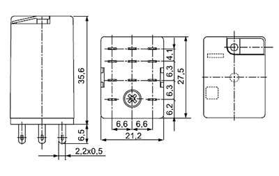
- Розміри й схеми
Габаритні розміри - виконання для контактних колодок (WT), із зовнішньою тест-кнопкою, з функцією блокування типу Т

Габаритні розміри - виконання для контактних колодок, з тест-кнопкою без функції блокування контактів або заглушкою

Кнопки R4P-0001 та заглушки R4W-0003 слід замовляти окремо. Замінюють кнопки типу Т. Для самостійної заміни Клієнтом.
Габаритні розміри - виконання з гвинтом для кріплення

Схеми комутації (вид з боку виводів)

Монтаж
Реле R3(N) пропонується у виконаннях:
- стандартний WT (механічний індикатор спрацьовування з фронтальною тест-кнопкою з блокуванням), для монтажу в контактних колодках. У стандартному виконанні реле (WT) існує можливість самостійної заміни кнопки типу Т на кнопку типу R4P-0001 без функції блокування контактів або заглушку R4W-0003, що виключає функції тесту та блокування контактів. Кнопки типу Р та заглушки слід замовляти окремо
- з кріпильним гвинтом
Реле R3(N) призначене для:
- контактних колодок з гвинтовими затискачами GZT3 та GZM3 з кліпсою GZT4-0040 або G4 1052, монтаж на рейці 35 мм у соотв. з PN-EN 60715 або на панелі за допомогою 2 болтів М3. До колодок пропонуються модулі сигнальні / захисні типу М...
- Аксесуари
Контактні колодки


GZT3 GZM3 Аксесуари для колодок




ZGGZ4 - гребінчаста перемичка для колодок GZT та GZM G4 1052 - кліпса для колодок GZT та GZM GZT4-0035 - табличка для маркування (для колодок GZT, GZM) GZT4-0040 - скоба для реле (для колодок GZT, GZM) 
Модуль типу М... для колодок GZT та GZM






