Реле промислові R4(N)
Виробник: Relpol
- Реле загального застосування
- Для контактних колодок: монтаж на рейці 35 мм; на панелі; на друкованих платах;
- Для монтажу на друкованих платах та під пайку - опція
- Мініатюрні розміри
- Контакти не містять кадмію
- Котушки AC та DC
-
- Специфікації
Дані контактів Кількість та тип контактів 4 CO Матеріал контактів AgNi, AgNi/Au 0,2 µm, AgNi/Au 5 µm Номінальний струм навантаження 6 A / 250 В AC 6 A / 24 В AC Максимальна комутована напруга 250 В AC Максимальна комутована потужність 1500 ВA Максимальний комутований струм 6 A Опір контакту < 100 мΩ Дані котушки Номінальна напруга 6 ... 240 В AC 5 ... 220 В DC Номинальная потребляемая мощность AC: 1,6 ВA DC: 0,9 Вт Дані ізоляції Напруга пробою між котушкою та контактами 2500 В AC контактного зазору 1500 В AC між струмовводами 2000 В AC Додаткові дані Механічний ресурс > 105 6 A, 250 В AC Електричний ресурс > 2 x 107 Температура навколишнього середовища для роботи AC: -40...+55 °C DC: -40...+70 °C
- Дані котушки
Дані котушки - виконання по напрузі, живлення постійним струмом
Код котушки Номінальна напруга
В DCОпір котушки при 20 °C
ΩДопуск опору Робочий діапазон напруги живлення В DC мін. (при 20 °C) макс. (при 55 °C) 1005 5 28 ± 10% 4,0 5,5 1006 6 40 ± 10% 4,8 6,6 1012 12 160 ± 10% 9,6 13,2 1024 24 640 ± 10% 19,2 26,4 1048 48 2 600 ± 10% 38,4 52,8 1060 60 4 000 ± 10% 48,0 66,0 1080 80 7 100 ± 10% 64,0 88,0 1110 110 13 600 ± 10% 88,0 121,0 1125 125 16 000 ± 10% 100,0 137,5 1220 220 54 000 ± 10% 176,0 242,0 Дані котушки - виконання за напругою, живлення змінним струмом 50/60 Гц
Код котушки Номінальна напруга
В ACОпір котушки при 20 °C
ΩДопуск опору Робочий діапазон напруги живлення В AC мін. (при 20 °C) макс. (при 55 °C) 5006 6 9,8 ± 10% 4,8 6,6 5012 12 39,5 ± 10% 9,6 13,2 5024 24 158 ± 10% 19,2 26,4 5042 42 470 ± 10% 33,6 46,2 5048 48 640 ± 10% 38,4 52,8 5060 60 930 ± 10% 48,0 66,0 5080 80 1 720 ± 10% 64,0 88,0 5110 110 3 450 ± 10% 88,0 121,0 5115 115 3 610 ± 10% 92,0 127,0 5120 120 3 770 ± 10% 96,0 132,0 5127 127 4 000 ± 10% 101,6 139,0 5220 220 15 400 ± 10% 176,0 242,0 5230 230 16 100 ± 10% 184,0 253,0 5240 240 16 800 ± 10% 192,0 264,0
- Код замовлення

Внимание:
Для реле с катушками DC и дополнительным оснащением, охватывающим: D - элемент ограничения перенапряжения (диод) и L - индикатор срабатывания, световой (светодиод) следует соблюдать установленное направление питания катушки . Вывод А 1 (13) ” + ” ; вывод А 2 (14) ” - ” . Направление питания обозначено на корпусе реле. Цвет внешней тест - кнопки, с функцией блокировки типа Т показывает тип тока питания катушки: оранжевый - катушка АС, морской - катушка DC.
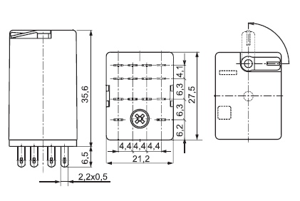
- Розміри й схеми
Габаритні розміри - виконання для контактних колодок (WT), із зовнішньою тест-кнопкою, з функцією блокування типу Т

Габаритні розміри - виконання для контактних колодок, з тест-кнопкою без функції блокування контактів або заглушкою
Кнопки R4P-0001 та заглушки R4W-0003 слід замовляти окремо. Замінюють кнопки типу Т. Для самостійної заміни Клієнтом.
Габаритні розміри - виконання для друкованих плат (без WT)

Габаритні розміри - виконання з кріпильним гвинтом

Схеми комутації (вид з боку виводів)

Виводи реле для монтажу на друкованих платах: 0,5 x 1 мм
Отвори на друкованій платі:- для реле: ∅ 1,3 + 0,1 мм
- для контактних колодок: ∅ 1,5 + 0,1 мм
Монтаж
Реле R4(N) пропонується у виконаннях:
- стандартний WT (механічний індикатор спрацьовування з фронтальною тест-кнопкою з блокуванням), для монтажу в контактних колодках. У стандартному виконанні реле (WT) існує можливість самостійної заміни кнопки типу Т на кнопку типу R4P-0001 без функції блокування контактів або заглушку R4W-0003, що виключає функції тесту та блокування контактів. Кнопки типу Р та заглушки слід замовляти окремо
- для монтажу на друкованих платах (без WT)
- з кріпильним гвинтом
Реле R4(N) призначене для:
- контактних колодок з гвинтовими затискачами GZT4 та GZM4 з кліпсою GZT4-0040 або G4 1052, монтаж на рейці 35 мм відповідно до PN-EN 60715 або на панелі за допомогою 2 болтів М3
- контактних колодок з пружинними затискачами GZMB4 з кліпсою GZMB4-0040 або G4 1052, монтаж на рейці 35 мм відповідно до PN-EN 60715. До колодків пропонуються модулі сигнальні/захисні типу М...
- контактних колодок з гвинтовими затискачами GZ4 з кліпсою G4 1052 або контактних колодок GZ4 з кліпсою GS4-0036 , монтаж на рейці 35 мм відповідно до PN-EN 60715 або на панелі за допомогою 2 болтів М3
- контактних колодок для друкованих плат SU4D з кліпсою G4 1053 (WT) або G4 1050 (без WT)
- контактних колодок під пайку SU4L з кліпсою G4 1053 (WT) або G4 1050 (без WT) та фіксатором G4 1040
- безпосереднього паяння на друкованих платах
- Аксесуари
Контактні колодки




GZT4 GZM4 GZ4 GS4 


SU4D SU4L G4 Аксесуари для колодок




ZGGZ4 - гребінчаста перемичка для колодок GZT4 та GZM4 G4 1052 - кліпса для колодок GZT4, GZM4 та GZ4 G4 1050 - кліпса для колодок SU4D, SU4L та G4 G4 1053 - кліпса для колодок SU4D, SU4L та G4 



TR4-2000 - кліпса для колодки GZM4 GS4-0036 - кліпса для колодки GS4 GZT4-0035 - табличка для маркування (для колодок GZT4, GZM4) GS4-0035 - табличка для маркування (для колодки GS4) 


GZT4-0040 - скоба для реле (для колодок GZT4, GZM4) Модуль типу М... для колодок GZT4 та GZM4 G4 1040 - тримач колодки для SU4L






