Реле промислові RG25
Виробник: Relpol
- Реле потужності загального застосування
- Котушки AC та DC
- Висока потужність, що комутується: AC1 - 10 кВA, AC3 - 6 кВA
- Монтаж на рейці 35 мм
- Висока напруга пробою ізоляції
-
- Специфікації
Дані контактів Кількість та тип контактів 2 NO Матеріал контактів AgCdO Номінальний струм навантаження 25 A / 400 В AC 25 A / 24 В DC Максимальна комутована напруга 440 В AC Максимальна комутована потужність 10 000 ВA Максимальний комутований струм 25 A Опір контакту < 100 мΩ Дані котушки Номінальна напруга 12...400 В AC 12...220 В DC Номінальна споживана потужність AC: 3,0 ВA DC: 1,7 Вт Дані ізоляції Напруга пробою між котушкою та контактами 5000 В AC контактного зазору 1500 В AC між струмовводами 5000 В AC Додаткові дані Механічний ресурс > 105 25 A, 400 В AC Електричний ресурс > 106 Температура навколишнього середовища для роботи -25...+85 °C
- Дані котушки
Дані котушки - виконання по напрузі, живлення постійним струмом
Код котушки Номінальна напруга В DC Опір котушки при 20 °C Ω Допуск опору Робочий діапазон напруги живлення В DC мін. при (20 °C) макс. при (55 °C) 1012 12 85 ± 10% 9,6 13,2 1024 24 340 ± 10% 19,2 26,4 1048 48 1 350 ± 10% 38,4 52,8 1110 110 7 600 ± 10% 88,0 121,0 1220 220 30 000 ± 10% 176,0 242,0 Дані котушки - виконання по напрузі, живлення змінним струмом 50 Гц
Код котушки Номінальна напруга В AC Опір котушки при 20 °C Ω Допуск опору Робочий діапазон напруги живлення В AC мін. при (20 °C) макс. при (55 °C) 3012 12 17 ± 10% 8,4 13,2 3024 24 76 ± 10% 16,8 26,4 3110 110 1 600 ± 10% 77,0 121,0 3230 230 6 800 ± 10% 161,0 253,0 3400 400 18 600 ± 10% 280,0 440,0
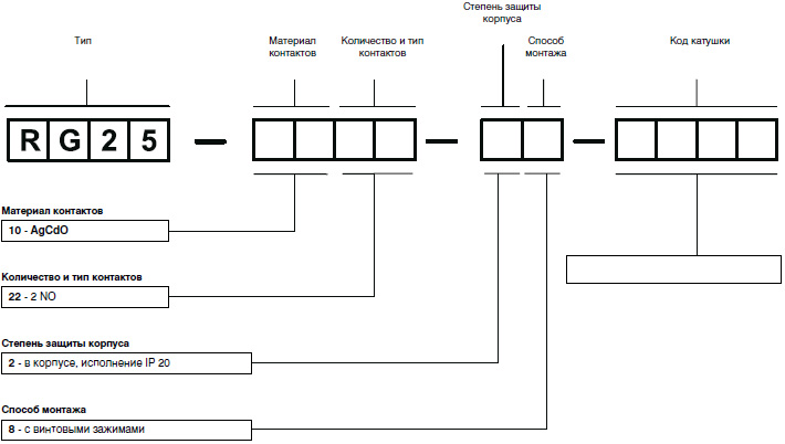
- Код замовлення
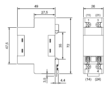
- Розміри й схеми
Габаритні розміри

Схеми комутації (вид з боку гвинтових затискачів)

Монтаж
Реле RG25 призначене для безпосереднього монтажу на рейці 35 мм відповідно до PN-EN 60715. Робоче положення – виводи котушки вниз. Підключення: макс. переріз монтажного дроту: 2 x 2,5 мм 2 (2 x 14 AWG), довжина зачищеної ділянки монтажного дроту: 9 мм, макс. момент затягування монтажного затиску: 0,7 Нм.






