Реле високочастотні ARE
Виробник: Panasonic Electric Works
- Відмінні хараткеристики при частотах до 2,6 ГГц
- Доступне виконання для поверхневого монтажу
- Компактний розмір
-
- Специфікації
Дані контактів Кількість та тип контактів 1 CO Матеріал контактів золоте покриття Номінальний струм навантаження 0,01 A / 24 В DC Максимальна комутована напруга 30 В DC Максимальна комутована потужність 10 Вт Максимальний комутований струм 0,5 A (DC) Опір контакту < 100 мΩ Дані котушки Номінальна напруга 3 ... 24 В DC Номінальна споживана потужність 0,2 Вт Дані ізоляції Номінальна напруга ізоляції 500 В DC Напруга пробою між котушкою та контактами 1000 В між контактом та виведенням заземлення 500 В між струмовводами 500 В Додаткові дані Механічний ресурс > 106 Електричний ресурс > 3 x 105 (0,01 A / 24 В DC резистивна) Температура навколишнього середовища на роботу -40...+70 °C (DC 48 В)
- Дані котушки
Код котушки Номінальна напруга В DC Опір котушки при 20 °C Ω Допуск опору Робочий діапазон напруги живлення В DC мін. (при 20 °C) макс. (при 70 °C) 3V 3 66,7 ± 10% 2,25 3,3 4.5V 4,5 44,4 ± 10% 3,38 4,95 6V 6 33,3 ± 10% 4,5 6,6 9V 9 22,2 ± 10% 6,75 9,9 12V 12 16,7 ± 10% 9 13,2 24V 24 8,3 ± 10% 18 26,4
- Код замовлення
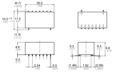
- Розміри й схеми
Стандартний корпус із виводами DIP-10
Габаритні розміри

Схема комутації (вид знизу)

(Знеструмлений стан)
Виводи для поверхневого монтажу
Тип 50 Ω
Габаритні розміри

Схема комутації (вид зверху)

(Знеструмлений стан)
Тип 75 Ω
Габаритні розміри

Схема комутації (вид зверху)

(Знеструмлений стан)






