Реле надмініатюрні AZ822
Производитель: Zettler Electronics
- Низький профіль
- Котушки з напругою до 48 В DC
- Механічна стійкісь - до 10 мільйонів циклів
- Уніфікований корпус під DIP-16
- Герметизація компаундом
- Стійкість 1500В при грозовому пробої (FCC Part 68.302)
- Стійкість 1000В ізоляції (FCC Part 68.304 )
- UL, CUR file E43203
-
- Специфікації
Дані контактів Кількість та тип контактів DPDT (2 CO) Матеріал контактів AgSnO2, AgNi, AgNi з покриттям Au Номінальний струм навантаження 0,5 A / 120 В AC Максимальна комутована напруга 250 В AC Максимальна комутована потужність 125 ВA Максимальний комутований струм 2 A Опір контакту < 50 мΩ Дані котушки Номінальна напруга 3 ... 48 В DC Номінальна споживана потужність 0,74 Вт (3 ... 12 В DC)
0,98 Вт (15 ... 24 В DC)
0,147 Вт (48 В DC)Дані ізоляції Номінальна напруга ізоляції 250 В AC Напруга пробою між котушкою та контактами 1000 В між контактами 1000 В між групами контактів 1000 В Додаткові дані Механічний ресурс > 1 x 108 Електричний ресурс > 5 x 105 (1 A / 30 В DC, резистивне навантаження) Температура навколишнього середовища для роботи -55...+90 °C
- Дані котушки
Код котушки Номінальна напруга В DC Опір котушки при 20 °C Ω Допуск опору Робочий діапазон напруги живлення В DC мін. (при 20 °C) макс. (при 20 °C) 3DSE 3 60 ± 10% 2,1 7,5 5DSE 5 167 ± 10% 3,5 12,5 6DSE 6 240 ± 10% 4,2 15,0 9DSE 9 540 ± 10% 6,3 22,5 12DSE 12 960 ± 10% 8,4 30,0 18DSE 18 1 620 ± 10% 12,6 40,0 24DSE 24 2 880 ± 10% 16,8 52,9 48DSE 48 7 680 ± 10% 33,6 84,9
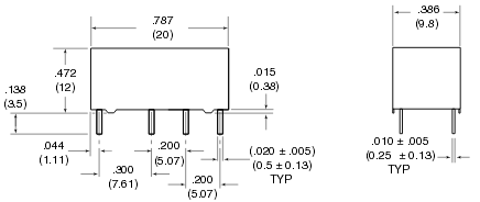
- Розміри й схеми
Габаритні розміри

Розмітка друкованої плати

Схеми комутації







