Реле надмініатюрні AZ943
Виробник: Zettler Electronics
- Висока продуктивність
- Низький профіль
- Доступні версії з різною герметизацією
- Робоча температура 155 °C
- UL, CUR file E43203
- TÜV file R50161256
-
- Специфікації
Дані контактів Кількість та тип контактів SPST (1 NO), SPDT (1 CO) Матеріал контактів AgSnO2 Номінальний струм навантаження 1 A / 120 В DC 0,5 A / 125 В AC Максимальна комутована напруга 300 В AC Максимальна комутована потужність 2770 ВA Максимальний комутований струм 15 A (AC) 10 A (DC) Опір контакту < 50 мΩ Дані котушки Номінальна напруга 5 ... 48 В DC Номінальна споживана потужність 0,203 Вт Дані ізоляції Номінальна напруга ізоляції 250 В AC Напруга пробою між котушкою та контактами 1500 В Додаткові дані Механічний ресурс > 1 x 106 Електричний ресурс > 1 x 105 (10 A / 277 В AC, резистивне навантаження) Температура навколишнього середовища для роботи -40...+70 °C (клас B)
-40...+85 °C (клас F)
- Дані котушки
Стандартне реле
Код котушки Номінальна напруга В DC Опір котушки при 20 °C Ω Допуск опору Робочий діапазон напруги живлення В DC мін. (при 20 °C) макс. (при 20 °C) 5DE 5 70 ± 10% 3,8 11,2 6DE 6 100 ± 10% 4,5 13,4 9DE 9 255 ± 10% 6,8 20,1 12DE 12 400 ± 10% 9,0 26,8 18DE 18 900 ± 10% 13,5 40,2 24DE 24 1 600 ± 10% 18,0 53,4 36DE 36 3 600 ± 10% 27,0 80,1 48DE 48 6 400 ± 10% 36,0 107,3
- Розміри й схеми
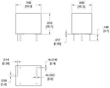
Габаритні розміри

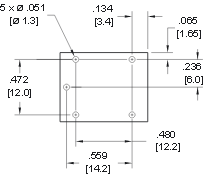
Розмітка друкованої плати

Схема комутації
1 NO
Схема комутації
1 CO






