Реле надмініатюрні RSM957
Виробник: Relpol
- Мініатюрне моностабільне реле
- Котушка з напругою до 24 В DC з потужністю 150...200 мВт
- Герметизація для пайки хвилею
- Використання - телекомунікація, побутова і офісна техніка, пристрої віддаленого керування
-
- Специфікації
Дані контактів Кількість та тип контактів 1 CO Матеріал контактів Ag/Au 0,2 µm Номінальний струм навантаження 2 A / 120 В AC 2 A / 24 В DC Максимальна комутована напруга 125 В AC Максимальна комутована потужність 240 ВA Максимальний комутований струм 2 A Опір контакту < 100 мΩ Дані котушки Номінальна напруга 3 ... 24 В DC Номінальна споживана потужність 0,15 Вт 3 ... 12 В DC
0,24 Вт 24 В DCДані ізоляції Напруга пробою між котушкою та контактами 1000 В AC контактного зазору 400 В AC Додаткові дані Механічний ресурс > 107 Електричний ресурс > 105 2 A, 120 В AC Температура навколишнього середовища для роботи -30...+70 °C
- Дані котушки
Дані котушки - виконання по напрузі, живлення постійним струмом, чутливе виконання
Код котушки Номінальна напруга
В DCОпір котушки при 20 °C
ΩДопуск опору Робочий діапазон напруги живлення В DC мін. (при 20 °C) макс. (за 20 °C) S003 3 60 ±10% 2,4 3,9 S005 5 167 ±10% 4,0 6,5 S006 6 240 ±10% 4,8 7,8 S009 9 540 ±10% 7,2 11,7 S012 12 960 ±10% 9,6 15,6 S024 24 2 880 ±10% 18,0 31,2
- Код замовлення
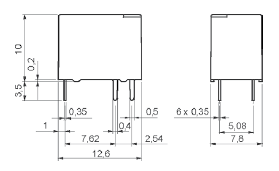
- Розміри й схеми
Габаритні розміри

Схеми комутації (вид з боку виводів)

Розмітка монтажних отворів (вид пайки)

Монтаж
Реле RSM957 призначене для безпосереднього паяння на друкованих платах.






