Головна Продукція Реле інтерфейсні Реле інтерфейсні PI6-1T

Реле інтерфейсні PI6-1T

pi6-1t

Виробник: Relpol

  • Ширина 6,2 мм
  • Інтерфейсне реле PI6-1T - з тріаком як виконавчим елементом
  • Монтаж на рейці 35 мм
  • Пристосовано для роботи з гребеневою перемичкою ZG20
  • Обладнаний зеленим світлодіодом

Специфікації
Вихідний ланцюг - дані контактів
Кількість та тип контактів 1 NO
Номінальний струм навантаження 1,2 A / 400 В AC
Максимальна комутована напруга 440 В AC
Максимальний комутований струм 1,2 A
Вхідний ланцюг
Номінальна напруга 5 ... 32 В DC
24 ... 230 В AC/DC
Номінальна споживана потужність 0,3 Вт DC
0,3 ВA / 0,3 Вт AC/DC
1,6 ВA / 1,6 Вт AC/DC
Дані ізоляції
Напруга пробоювхід - вихід 4 000 В AC
Додаткові дані
Температура навколишнього середовища для роботи -40...+55 °C

Вхідні параметри
Код інтерфейсного релеНомінальна вхідна напруга UnПотужність вхідного ланцюга
PI6-T-5...32VDC 5...32 VDC 0,3 W при 24 V
PI6-T-5...32VDC  24 V AC/DC 0,3 VA / 0,3 W
PI6-T-5...32VDC 230 V AC/DC 1,6 VA / 1,6 W

Розміри й схеми

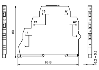
Габаритні розміри

Гребінчаста перемичка ZG20

Схеми комутації

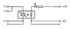
PI6-1T-5...32VDC

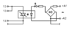
PI6-1T-24VAC/DC
PI6-1T-230VAC/DC

Монтаж

Реле PI6-1T призначені для монтажу на рейці 35 мм відповідно до PN-EN 60715. Підключення: макс. перетин монтажного дроту: 1 х 2,5 мм2 / 2 x 1,5 мм2 (1 x 14 / 2 x 16 AWG), довжина зачищеної ділянки монтажного дроту: 8мм, макс. момент затягування монтажного затиску: 0,3 Нм.

PI6-1T пристосовані для роботи з гребінчастою перемичкою ZG20. Перемичка ZG20 з'єднує спільні сигнали входів або виходів. Макс. допустимий струм 36А/250 В AC. Кольори перемичок: ZG20-1 червона, ZG20-2 чорна, ZG20-3 блакитна.