Реле інтерфейсні PIR3
Виробник: Relpol
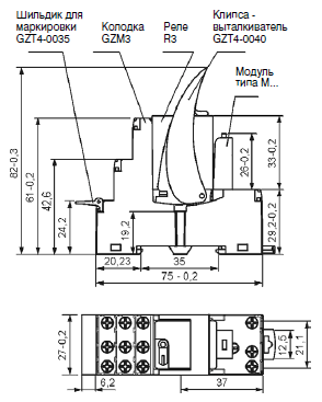
- Інтерфейсне реле PIR3 з колодкою GZM3 складається з: електромагнітне реле R3, сіра контактна колодка GZM3, модуль сигнальний / захисний: виконання LD - M41G або M42G або M43G (L - LED зелений, D - діод, що гасить, поляризація N: +A1 /-A2); виконання LV - M91G або M92G або M93G (L - LED зелений, V - варистор), кліпса-виштовхувач GZT4-0040 (пластик), білий шильдик для маркування GZT4-0035
- Монтаж на рейці 35 мм або на панелі за допомогою 2 болтів M3
- Пристосовано для роботи з гребеневою перемичкою ZGGZ4
-
- Специфікації
Дані контактів Кількість та тип контактів 3 CO Матеріал контактів AgNi Номінальний струм навантаження 10 A / 250 В AC 10 A / 24 В DC Максимальна комутована напруга 440 В AC Максимальна комутована потужність 2 500 ВA Максимальний комутований струм 10 A Опір контакту < 100 мΩ Дані котушки Номінальна напруга 12 ... 230 В AC 50/60 Гц 12 ... 110 В DC Номінальна споживана потужність 1,6 ВA AC 50 Гц
1,3 ВA AC 60 Гц0,9 Вт DC Дані ізоляції Напруга пробою між котушкою та контактами 2500 В AC контактного зазору 1500 В AC між струмовводами 2500 В AC Додаткові дані Механічний ресурс >2 x 107 Електричний ресурс 105 10 A, 250 В AC Температура навколишнього середовища для роботи AC: -40...+55 °C DC: -40...+70 °C
- Дані котушки
Дані котушки - виконання по напрузі, живлення постійним струмом
Код котушки Номінальна напруга
В DCОпір котушки при 20 °C
ΩДопуск опору Робочий діапазон напруги живлення В DC мін. (при 20 °C) макс. (при 20 °C) 012DC 12 160 ± 10% 9,6 13,2 024DC 24 640 ± 10% 19,2 26,4 048DC 48 2 600 ± 10% 38,4 52,8 110DC 110 13 600 ± 10% 88,0 121,0 Дані котушки - виконання по напрузі, живлення змінним струмом 50/60 Гц
Код котушки Номінальна напруга
В ACОпір котушки при 20 °C
ΩДопуск опору Робочий діапазон напруги живлення В AC мін. (при 20 °C) макс. (при 20 °C) 012AC 12 39,5 ± 10% 9,6 13,2 024AC 24 158 ± 10% 19,2 26,4 048AC 48 640 ± 10% 38,4 52,8 120AC 110 3 700 ± 10% 96,0 144,0 230AC 230 16 100 ± 10% 184,0 253,0
- Код замовлення
- Розміри й схеми
Габаритні розміри


Гребінчаста перемичка ZGGZ4
Схеми комутації (вид з боку гвинтових затискачів)

Монтаж
Реле PIR3 з колодкою GZM3 призначені для безпосереднього монтажу на рейці 35 мм відповідно до PN-EN 60715 або на панелі за допомогою 2 болтів М3. Підключення: макс. переріз монтажного дроту: 2 х 2,5 мм 2 (2 x 14 AWG), довжина зачищеної ділянки монтажного дроту: 6,5 мм, макс. момент затягування монтажного затиску: 0,7 Нм.
Контактні колодки GZM3 пристосовані для роботи з гребеневою перемичкою ZGGZ4. Перемичка ZGGZ4 з'єднує загальні ВV AC. Можливість підключення 6 колодок. Кольори перемичок: ZGGZ4-1 сіра, ZGGZ4-2 чорна.






