Головна Продукція Реле інтерфейсні Реле інтерфейсні PIR6WB-1PS

Реле інтерфейсні PIR6WB-1PS

pir6wb-1ps

Виробник: Relpol

  • Ширина 6,2 мм
  • Інтерфейсне реле PIR6WB-1PS-... складається з: універсальна колодка з пружинними затискачами, з електронікою PI6WB-1PS-..., мініатюрне виконавче реле - електромагнітне RM699BV або напівпровідникове RSR30
  • Монтаж на рейці 35 мм
  • Пристосовано для роботи з гребеневою перемичкою ZG20
  • Обладнаний зеленим світлодіодом
  • Аксесуари: шильдики для маркування PI6W-1246

Специфікації
Вихідний ланцюг (RM699BV) - дані контактів
Кількість та тип контактів 1 CO(R) 1 CO (R-01)
Матеріал контактів AgSnO2 AgSnO2/Au 3 µm
Номінальний струм навантаження 6 A / 250 В AC 0,05 A / 30 В AC
6 A / 24 В DC 0,05 A / 36 В DC
Максимальна комутована напруга 400 В 36 В
Максимальна комутована потужність 1 500 ВA 1,2 ВA
Максимальний комутований струм 6 A 0,05 A
Опір контакту < 100mΩ < 30mΩ
Вихідний ланцюг (RSR30) - дані виходу
Тип виходу (код виходу) Тріак (Т)
макс. 2 А
Транзистор (С)
макс. 1 А
Транзистор (O)
макс. 2 А
Номінальна напруга 240 В AC 48 В DC 24 В DC
Максимальна напруга виходу 280 В AC 60 В DC 32 В DC
Номінальний безперервний струм виходу 1 A AC1    
  1 A DC1 2 A DC1
Вхідний ланцюг
Номінальна напруга 6 ... 60 В DC
24 ... 230 В AC/DC
Номінальна споживана потужність 0,2 ... 0,5 Вт DC
0,5 ... 1,2 ВA AC/DC / 0,4 ... 1,2 Вт AC/DC
Дані ізоляції
Напруга пробоювхід - вихід 4000 В AC
маса - вхід, вихід 6000 В AC
контактного зазору 1000 В AC
Додаткові дані
Механічний ресурс > 107
Електричний ресурс > 0,5 x 105 6 A, 250 В AC
Температура навколишнього середовища для роботи - 40...+55 °C - PIR6WB-1PS-...-R/-R01
- 25...+55 °C - ...-T/ -C/-O
- 25...+50 °C - PIR6WB-1PS-230VAC/DC-R/-R01/-C/-O
- 25...+50 °C - PIR6WB-1P-230VAC/DC-10

Код замовлення
Код інтерфейсного релеНомінал.
вхідний
напружений.
Un
Потужність
вхідний
ланцюги
Код колодкиКод
виконавець.
реле
Номін.
напряж.
викон. .
реле
PIR6WB-1PS-6VDC-R 6 V DC 0,3 W PI6WB-1PS-6VDC RM699V-3011-85-1005 5 V DC
PIR6WB-1PS-12VDC-R 12 V DC 0,2 W PI6WB-1PS-12/24VDC RM699V-3011-85-1012 12 V DC
PIR6WB-1PS-24VDC-R 24 V DC 0,3 W PI6WB-1PS-12/24VDC RM699V-3011-85-1024 24 V DC
PIR6WB-1PS-36VDC-R 36 V DC 0,3 W PI6WB-1PS-36VDC RM699V-3011-85-1024 24 V DC
PIR6WB-1PS-48VDC-R 48 V DC 0,4 W PI6WB-1PS-48VDC RM699V-3011-85-1024 24 V DC
PIR6WB-1PS-60VDC-R 60 V DC 0,5 W PI6WB-1PS-60VDC RM699V-3011-85-1024 24 V DC
PIR6WB-1PS-24VAC/DC-R 24 V AC/DC 0,5 VA / 0,4 W PI6WB-1PS-24VAC/DC RM699V-3011-85-1012  12V DC
PIR6WB-1PS-42VAC/DC-R 42 V AC/DC 0,5 VA / 0,4 W PI6WB-1PS-42VAC/DC RM699V-3011-85-1024 24 V DC
PIR6WB-1PS-115VAC/DC-R 115 V AC/DC 1,2 VA / 1,2 W PI6WB-1PS-115VAC/DC RM699V-3011-85-1024 24 V DC
PIR6WB-1PS-230VAC/DC-R 230 V AC/DC 1,2 VA / 0,4 W PI6WB-1PS-230VAC/DC RM699V-3011-85-1048 48 V DC
PIR6WB-1PS-6VDC-R01 6 V DC 0,3 W PI6WB-1PS-6VDC RM699V-3211-85-1005 5 V DC
PIR6WB-1PS-12VDC-R01 12 V DC 0,2 W PI6WB-1PS-12/24VDC RM699V-3211-85-1012 12 V DC
PIR6WB-1PS-24VDC-R01 24 V DC 0,3 W PI6WB-1PS-12/24VDC RM699V-3211-85-1024 24 V DC
PIR6WB-1PS-36VDC-R01 36 V DC 0,3 W PI6WB-1PS-36VDC RM699V-3211-85-1024 24 V DC
PIR6WB-1PS-48VDC-R01 48 V DC 0,4 W PI6WB-1PS-48VDC RM699V-3211-85-1024 24 V DC
PIR6WB-1PS-60VDC-R01 60 V DC 0,5 W PI6WB-1PS-60VDC RM699V-3211-85-1024 24 V DC
PIR6WB-1PS-24VAC/DC-R01 24 V AC/DC 0,5 VA / 0,4 W PI6WB-1PS-24VAC/DC RM699V-3211-85-1012 12 V DC
PIR6WB-1PS-42VAC/DC-R01 42 V AC/DC 0,5 VA / 0,4 W PI6WB-1PS-42VAC/DC RM699V-3211-85-1024 24 V DC
PIR6WB-1PS-115VAC/DC-R01 115 V AC/DC 1,2 VA / 1,2 W PI6WB-1PS-115VAC/DC RM699V-3211-85-1024 24 V DC
PIR6WB-1PS-230VAC/DC-R01 230 V AC/DC 1,2 VA / 1,2 W PI6WB-1PS-230VAC/DC RM699V-3211-85-1048 48 V DC
PIR6WB-1PS-6VDC-T 6 V DC 0,3 W PI6WB-1PS-6VDC RSR30-D05-A1-24-020-1 5 V DC
PIR6WB-1PS-12VDC-T 12 V DC 0,2 W PI6WB-1PS-12/24VDC RSR30-D12-A1-24-020-1 12V DC 
PIR6WB-1PS-24VDC-T 24 V DC 0,3 W PI6WB-1PS-12/24VDC  RSR30-D24-A1-24-020-1 24 V DC 
PIR6WB-1PS-36VDC-T 36 V DC 0,3 W  PI6WB-1PS-36VDC  RSR30-D24-A1-24-020-1 24 V DC 
PIR6WB-1PS-48VDC-T 48 V DC 0,4 W  PI6WB-1PS-48VDC  RSR30-D24-A1-24-020-1 24 V DC 
PIR6WB-1PS-60VDC-T 60 V DC 0,5 W  PI6WB-1PS-60VDC  RSR30-D24-A1-24-020-1 24 V DC 
PIR6WB-1PS-24VAC/DC-T 24 V AC/DC 0,5 VA / 0,4 W PI6WB-1PS-24VAC/DC RSR30-D12-A1-24-020-1 12 V DC
PIR6WB-1PS-42VAC/DC-T 42 V AC/DC 0,5 VA / 0,4 W PI6WB-1PS-42VAC/DC RSR30-D24-A1-24-020-1 24 V DC 
PIR6WB-1PS-115VAC/DC-T 115 V AC/DC 1,0 VA / 1,0 W PI6WB-1PS-115VAC/DC RSR30-D24-A1-24-020-1 24 V DC 
PIR6WB-1PS-6VDC-C 6 V DC 0,1 W PI6WB-1PS-6VDC RSR30-D05-D1-04-025-1 5 V DC
PIR6WB-1PS-12VDC-C 12 V DC  0,2 W  PI6WB-1PS-12/24VDC  RSR30-D12-D1-04-025-1 12 V DC 
PIR6WB-1PS-24VDC-C 24 V DC 0,3 W  PI6WB-1PS-12/24VDC  RSR30-D24-D1-04-025-1 24 V DC 
PIR6WB-1PS-36VDC-C 36 V DC 0,3 W  PI6WB-1PS-36VDC  RSR30-D24-D1-04-025-1  24 V DC 
PIR6WB-1PS-48VDC-C 48 V DC 0,4 W  PI6WB-1PS-48VDC  RSR30-D24-D1-04-025-1 24 V DC 
PIR6WB-1PS-60VDC-C 60 V DC 0,5 W  PI6WB-1PS-60VDC  RSR30-D24-D1-04-025-1 24 V DC 
PIR6WB-1PS-24VAC/DC-C 24 V AC/DC  0,5 VA / 0,4 W PI6WB-1PS-24VAC/DC RSR30-D12-D1-04-025-1 12 V DC
PIR6WB-1PS-42VAC/DC-C 42 V AC/DC 0,5 VA / 0,4 W PI6WB-1PS-42VAC/DC RSR30-D24-D1-04-025-1 24 V DC 
PIR6WB-1PS-115VAC/DC-C 115 V AC/DC 1,0 VA / 1,0 W PI6WB-1PS-115VAC/DC RSR30-D24-D1-04-025-1 24 V DC 
PIR6WB-1PS-230VAC/DC-C 230 V AC/DC 1,0 VA / 1,0 W PI6WB-1PS-230VAC/DC RSR30-D48-D1-04-025-1 48V DC 
PIR6WB-1PS-6VDC-O 6 V DC 0,1 W PI6WB-1PS-6VDC RSR30-D05-D1-02-040-1 5 V DC
PIR6WB-1PS-12VDC-O 12 V DC 0,2 W   PI6WB-1PS-12/24VDC RSR30-D12-D1-02-040-1 12 V DC 
PIR6WB-1PS-24VDC-O 24 V DC 0,3 W   PI6WB-1PS-12/24VDC RSR30-D24-D1-02-040-1 24 V DC 
PIR6WB-1PS-36VDC-O 36 V DC 0,3 W   PI6WB-1PS-36VDC RSR30-D24-D1-02-040-1 24 V DC 
PIR6WB-1PS-48VDC-O 48 V DC 0,4 W   PI6WB-1PS-48VDC RSR30-D24-D1-02-040-1 24 V DC 
PIR6WB-1PS-60VDC-O 60 V DC 0,5 W   PI6WB-1PS-60VDC RSR30-D24-D1-02-040-1 24 V DC 
PIR6WB-1PS-24VAC/DC-O 24 V AC/DC 0,5 VA / 0,4 W PI6WB-1PS-24VAC/DC RSR30-D12-D1-02-040-1 12 V DC 
PIR6WB-1PS-42VAC/DC-O 42 V AC/DC 0,5 VA / 0,4 W  PI6WB-1PS-42VAC/DC RSR30-D24-D1-02-040-1 24 V DC 
PIR6WB-1PS-115VAC/DC-O 115 V AC/DC 1,0 VA / 1,0 W PI6WB-1PS-115VAC/DC  RSR30-D24-D1-02-040-1 24 V DC 
PIR6WB-1PS-230VAC/DC-O 230 V AC/DC 1,0 VA / 1,0 W PI6WB-1PS-230VAC/DC  RSR30-D48-D1-02-040-1 48 V DC 

Розміри й схеми

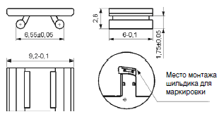
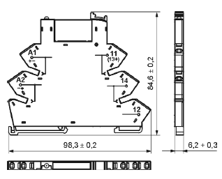
Габаритні розміри

Гребінчаста перемичка ZG20

Шильдик для маркування PI6W-1246

Схеми комутації

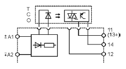
PIR6WB-1PS-...-R, PIR6WB-1PS-...-R01

PIR6WB-1P-230VAC/DC-10

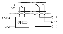
PIR6WB-1PS-...-T, PIR6WB-1PS-...-C, PIR6WB-1PS-...-O< /p>

Монтаж

Реле PIR6WB-1PS-... призначене для монтажу на рейці 35 мм відповідно до PN-EN 60715. Підключення: макс. переріз монтажного дроту: 1 х 2,5 мм 2 (1 x 14 / 2 x 16 AWG). Довжина зачищеної ділянки монтажного дроту: 9 мм, макс. момент затягування монтажного затиску: 0,3 Нм.

Інтерфейсне реле PIR6WB-1PS-... складається з: колодка з гвинтовими затискачами, з електронікою PI6W-1P-..., мініатюрне виконавче реле - електромагнітне RM699BV.

PIR6WB-1PS-... пристосовані для роботи з гребеневою перемичкою ZG20. Перемичка ZG20 з'єднує спільні сигнали входів або виходів. Макс. допустимий струм 36А/250 В AC. Кольори перемичок: ZG20-1 червона, ZG20-2 чорна, ZG20-3 блакитна. Для реле PIR6WB-1PS-... пропонуються шильдики для маркування типу PI6W-1246, вони постачаються в комплекті з реле без монтажу.