Реле твердотільні RGS
Виробник: Carlo Gavazzi
- Ширина корпусу 17,5
- Робоча напруга - до 600 В
- Максимальний струм - до 90 А (до 40°C)
- Динаміка струму - до 6600А?с
- Напруга керування - 3...32 Vdc, 20...275Vac/24...190 Vdc
- Вхідне/Вихідне з'єднання - гвинтова клема або роз'ємна пружина
- Виконання згідно EN/IEC60947-4-2, EN/IEC60947-4-3, EN/IEC62314, UL508, CSA22-2 No14-10
- Вбудований захист від перенапруги
- Відповідає RoHS
- Струм КЗ - 100 кА
- Схвалено VDE
-
- Специфікації
Вхідний ланцюг Діапазон керівної напруги 3 ... 32 В DC (4 ... 32 В DC)
20 ... 275 В AC (24 ... 190 В DC)Напруга відпускання 1 В DC
5 В AC/DCВихідний ланцюг Номінальний струм навантаження 25 A AC
50 A AC
75 A AC
90 A ACНомінальна напруга навантаження 230 В AC
600 В ACДіапазон напруги навантаження 24 ... 240 В AC
42 ... 600 В ACМаксимальний струм витоку < 3 mA AC Мінімальний струм навантаження 150 mA AC
250 mA AC
400 mA AC
- Код замовлення
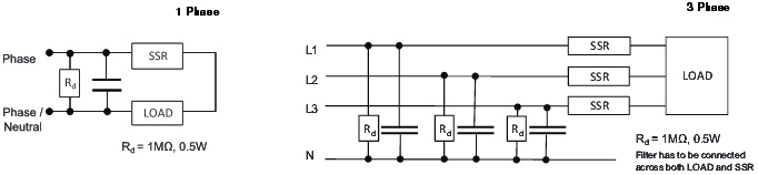
- Розміри й схеми
Габаритні розміри - RGS...KKE

Габаритні розміри - RGS...MKE

Terminal layout - RGS...KKE

Terminal layout - RGS...MKE

Схема підключення







