Реле твердотельные RJ2A
Производитель: Carlo Gavazzi
- AC semiconductor contactor
- Two pole switching with common control input
- Direct copper bonding (DCB) technology
- LED indication
- Integrated over-voltage protection
- Housing free of moulding mass
- 2 input ranges: 5...32 V DC and 24...275 V AC/24...190 V DC
- Operational ratings : Up to 3 x 32 A AC, 600 V AC
- Blocking voltage: Up to 1200 Vp
- Opto-isolation > 4000VACrms
-
- Специфікації
Входная цепь Диапазон управляющего напряжения 5 ... 32 V DC
24 ... 275 V AC / 24 ... 190 V DCНапряжение отпускания 1 V DC
5 V AC/DCВыходная цепь Номинальный ток нагрузки 3 x 25 A AC
3 x 32 A ACНоминальное напряжение нагрузки 220 V AC
600 V ACДиапазон напряжения нагрузки 24 ... 280 V AC
48 ... 660 V ACМаксимальный ток утечки < 3 mA AC Максимальное падение напряжения 1,6 Vrms Минимальный ток нагрузки 150 mA
- Код замовлення
- Розміри й схеми
Габаритные размеры - MIDI
RJ2A..25 (без вентилятора)

Габаритные размеры - POWER
RJ2A..32

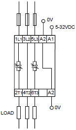
Схема подключения
DC Control Input
Пример: RJ2A60D25
Схема подключения
AC Control Input + over-temperature protection
Пример: RJ2A22A25EP






