Реле твердотельные RJ3A
Производитель: Carlo Gavazzi
- AC semiconductor contactor
- Three pole switching with common control input
- Direct copper bonding (DCB) technology
- LED indication
- Integrated over-voltage protection
- Housing free of moulding mass
- 2 input ranges: 5...32 V DC and 24...275 V AC/24...190 V DC
- Operational ratings : Up to 3 x 32 A AC, 600 V AC
- Blocking voltage: Up to 1200 Vp
- Opto-isolation > 4000VACrms
-
- Специфікації
Входная цепь Диапазон управляющего напряжения 5 ... 32 V DC
24 ... 275 V AC / 24 ... 190 V DCНапряжение отпускания 1 V DC
5 V AC/DCВыходная цепь Номинальный ток нагрузки 3 x 20 A AC
3 x 25 A AC
3 x 32 A ACНоминальное напряжение нагрузки 220 V AC
600 V ACДиапазон напряжения нагрузки 24 ... 280 V AC
48 ... 660 V ACМаксимальный ток утечки < 3 mA AC Максимальное падение напряжения 1,6 Vrms Минимальный ток нагрузки 150 mA
- Код замовлення
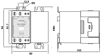
- Розміри й схеми
Габаритные размеры - MIDI
RJ3A..20 (без вентилятора), RJ3A..32

Габаритные размеры - POWER
RJ3A..25

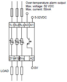
Схема подключения
DC Control Input + over-temperature protection
Пример: RJ3A60D20EP
Схема подключения
DC Control Input + Fan + over-temperature protection
Пример: RJ3A60D32EP
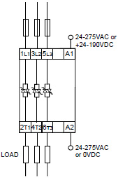
Схема подключения
AC Control Input
Пример: RJ3A22A20E
Схема подключения
AC Control Input + fan + over-temperature protection
Пример: RJ3A22A32EP






