Реле твердотельные RJT3A
Производитель: Carlo Gavazzi
- 3 in 1 Semiconductor contactor
- Three control inputs - three independently switched poles
- Direct copper bonding (DCB) technology
- LED indication for each pole
- Housing free of moulding mass
- Input range: 4 – 32 VDC
- Operational ratings: up to 3x25AAC, 600VAC
- Non repetitive peak voltage: Up to 1200Vp
- Opto-isolation > 4000 VACrms
-
- Специфікації
Входная цепь Диапазон напряжения контроля 4 ... 32 V DC Выходная цепь Номинальный ток нагрузки 3 x 20 A AC
3 x 25 A ACНоминальное напряжение нагрузки 230 V AC
600 V ACВходная цепь Диапазон управляющего напряжения 4 ... 32 V DC Напряжение отпускания 1 V DC Выходная цепь Номинальный ток нагрузки 3 x 20 A AC
3 x 25 A ACНоминальное напряжение нагрузки 230 V AC
600 V ACДиапазон напряжения нагрузки 24 ... 280 V AC
40 ... 660 V ACМаксимальный ток утечки < 3 mA Максимальное падение напряжения 1,6 Vrms Минимальный ток нагрузки 150 mA
- Код замовлення
- Розміри й схеми
Габаритные размеры - MIDI
RJT3A..20

Габаритные размеры - POWER
RJT3A..25

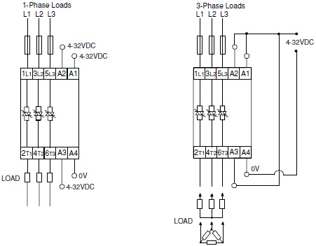
Схема подключения

Application of DC voltage across terminals A1-A4 will activate pole L1-T1. The top green LED indicates the status of the control input across terminals A1-A4.
Application of DC voltage across terminals A2-A4 will activate pole L2-T2. The middle green LED indicates the status of the input voltage across terminals A2-A4.
Application of DC voltage across A3-A4 will activate pole L3-T3. The bottom green LED indicates the status of the input voltage across terminals A3-A4.
For 3-Phase control, A1, A2 and A3 can be connected together to switch all three poles simultaneously.






